- Sanyo Fisher Co. Owner's Manual Multimedia Projector PLC-XF10N, PLC-XF10NL (Without Lens)
Table Of Contents

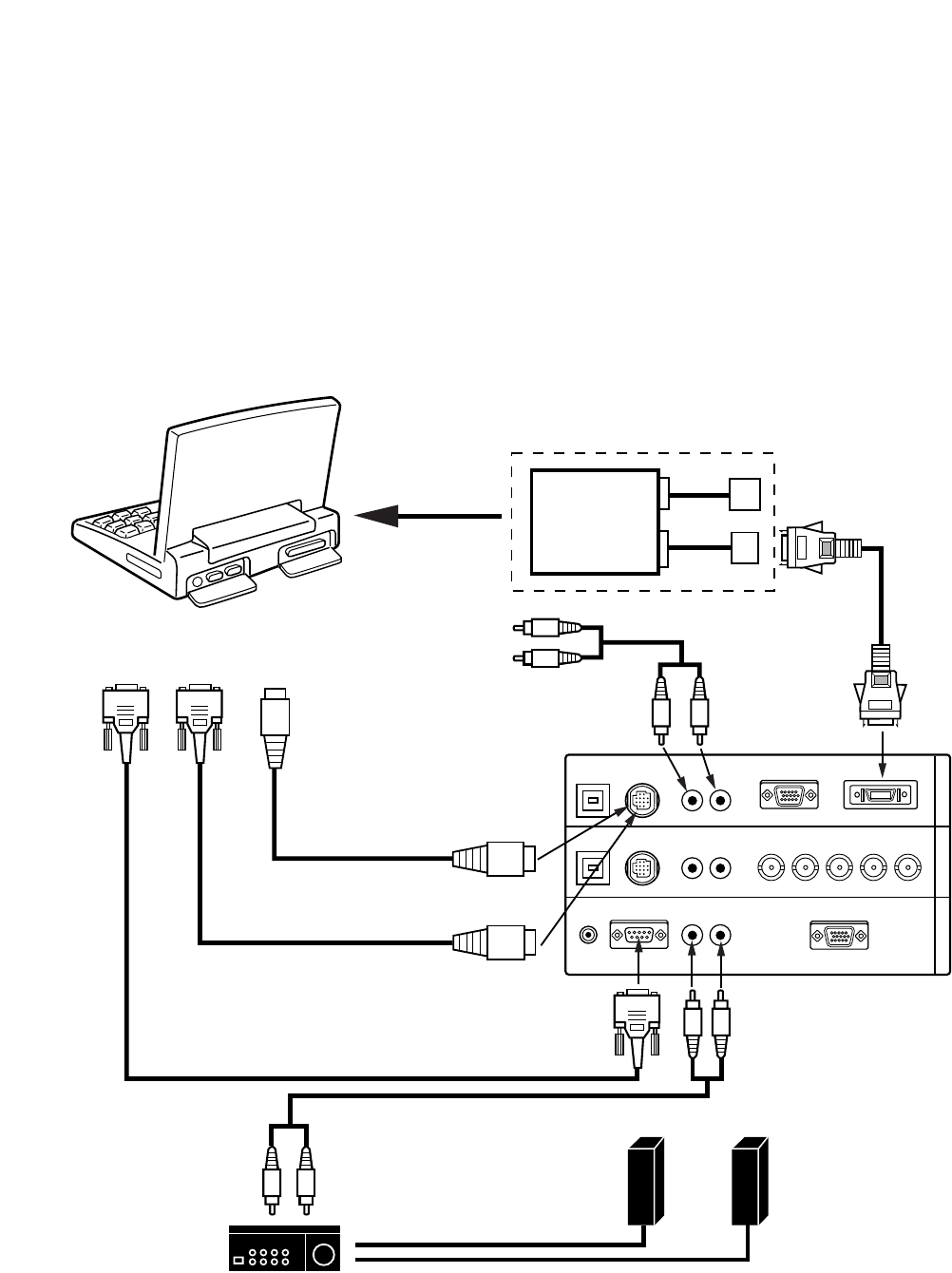
USB 1 AUDIO 1
R
ANALOG
ANALOG RGB
COMPUTER OUT
COMPUTER IN-2 COMPUTER IN-1
RGB H V
L
(MONO)
(MONO)
CONTROL PORT 1
USB 2
R/C JACK SERIAL PORT
AUDIO 2
AUDIO OUT
RL
RL
CONTROL PORT 2
DIGITAL
Before using with digital connection, install (Plug in) Graphic
Accelerator PC card into card bus slot of the computer and set up
the computer following instructions in the Graphic Accelerator PC
card package.
SERIAL
PORT
OUTPUT
COMPUTER
SERIAL PORT
INPUT
PS/2 PORT
INPUT
AUDIO CABLE
(NOT PROVIDED)
AUDIO CABLE
(NOT PROVIDED)
MOUSE CABLE FOR
PS/2 PORT
(PROVIDED)
MOUSE CABLE FOR
SERIAL PORT
(PROVIDED)
R L
R L
Speaker (L)
Speaker (R)
Amp.
L
R
R
L
AUDIO
INPUT
SPEAKER
OUT
COMPUTER
AUDIO OUTPUT
COMPUTER
AUDIO INPUT 1
CONTROL PORT
OUTPUT 1
COMPUTER
AUDIO OUTPUT
SERIAL PORT CABLE
(NOT PROVIDED)
COMPUTER
INPUT 1
(DIGITAL)
DIGITAL FLAT
PANEL CABLE
(NOT PROVIDED)
PpackakTJTj445s-4.1yAuABLEh1E FT










