Owner manual
Manuals
Brands
Fill-Rite Manuals
Equipment
TM Series Precision Meter
11
12
13
14
15
16
17
18
19
20
1 . 14
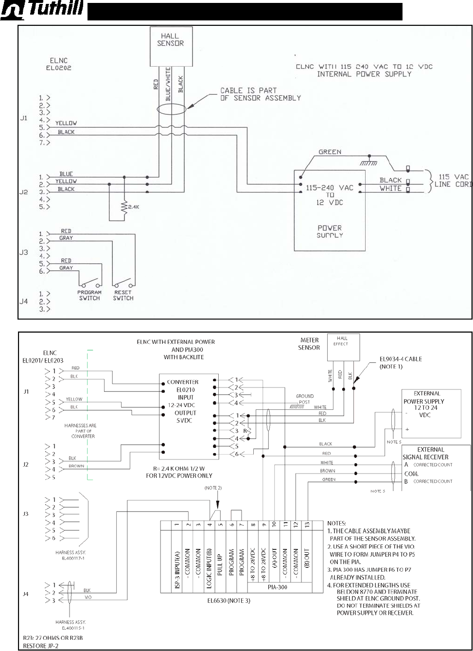
Wiring Diagrams
HE pulser to ELNC
HE pulser to ELNC with Backlight & 10:1 pulse out
1
...
...
12
13
14
15
16
...
...
24