Owner manual
Manuals
Brands
Fill-Rite Manuals
Equipment
TM Series Precision Meter
11
12
13
14
15
16
17
18
19
20
1 . 13
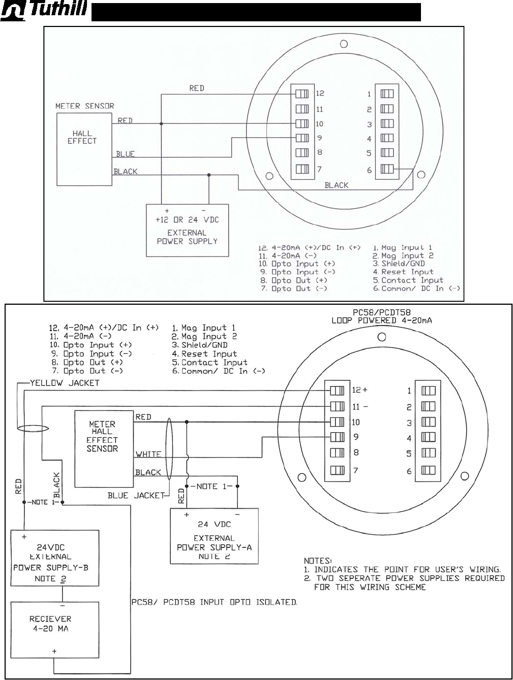
Wiring Diagrams
HE pulser to PC58 or PCDT58
with 4-20 mA Analog signal
HE pulser to PC58 or PCDT58
1
...
...
11
12
13
14
15
...
...
24