Owner manual
Manuals
Brands
Fill-Rite Manuals
Equipment
TM Series Precision Meter
11
12
13
14
15
16
17
18
19
20
1 . 11
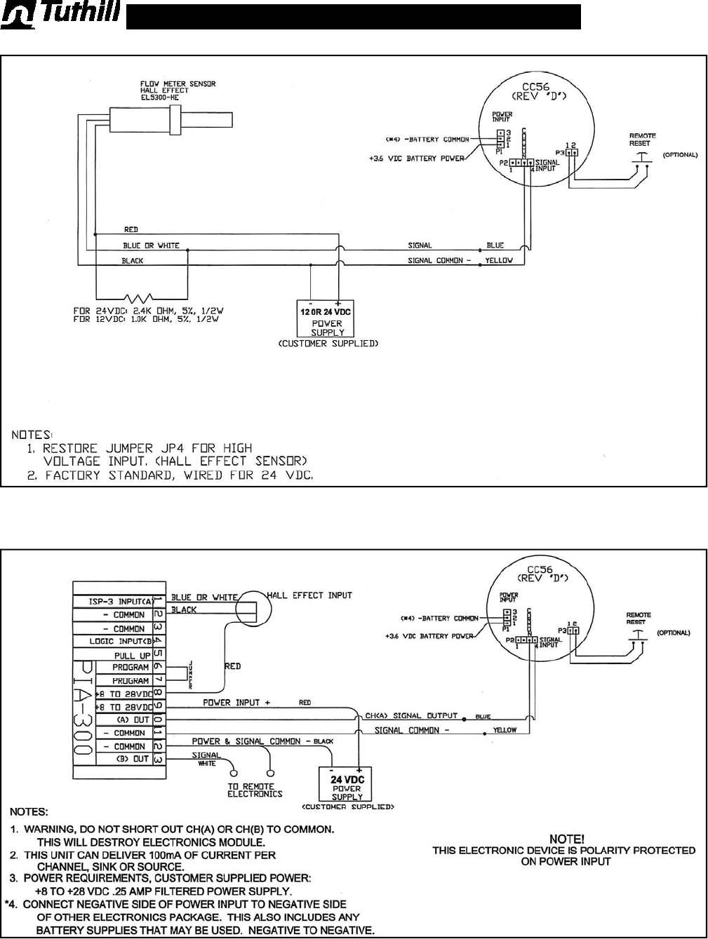
Wiring Diagrams
HE pulser (DC powered) to CC56 register (battery powered)
HE pulser (DC powered)
to PIA-300 wi
th
Channel A to CC56 register, Channel B = pulse output to ??
1
...
...
9
10
11
12
13
...
...
24