Installation Instructions

16
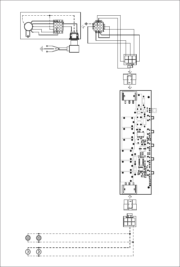
Wiring Diagram
120V 60Hz










