Installation Guide

21
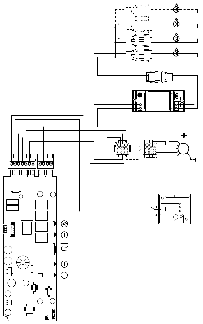
Wiring Diagram










