User Guide
SCP and System 5 IP Button Functions
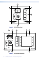
When an SCP is connected to a System 5 IP switcher, buttons on
the SCP initiate functions that are also controlled by equivalent
buttons on the switcher. The following diagrams show the
buttons on the SCP that are tied to buttons on the System 5 IP.
SCP 104
System 5 IP
CONFIG
DISPLAY
VOLUME
SCP 104
ON
PC
DOC
CAM
VCR
DVD
OFF
1
2
3
4
SYSTEM 5 IP
PC
DOC
CAM
VCR
PIC
MUTE
ON OFF
MENU NEXT
AUTO
IMAGE
DVD
LAPTOP
PC VIDEO
INPUT 5
CLIP
NORMAL
VOLUME
AUDIO
ADJUST
SIGNAL
23 4
5/ PC
PROJECTOR
1
INPUT SELECTION
CONFIG
IR
Figure 16. Button Equivalents on an SCP 104 Connected to a
System 5 IP Switcher
SCP 226
System 5 IP
Button 6 on the SCP is used
for function button 4 on the
System 5 IP.
VOLUME
SCP 226
IR
DISPLAY
Extron
1
2
3
4
5
6
ON
OFF
PIC
MUTE
AUTO
IMAGE
PC VCR
DVD
LAPTOP
DOC
CAM
SYSTEM 5 IP
PC
DOC
CAM
VCR
PIC
MUTE
ON OFF
MENU NEXT
AUTO
IMAGE
DVD
LAPTOP
PC VIDEO
INPUT 5
CLIP
NORMAL
VOLUME
AUDIO
ADJUST
SIGNAL
23 4
5/ PC
PROJECTOR
1
INPUT SELECTION
CONFIG
IR
Figure 17. Button Equivalents on an SCP 226 Connected to a
System 5 IP Switcher
SCP 104 and SCP 226 • Installation and Operation
18










