- Extron Electronics Ethernet control interface User's Manual
Table Of Contents
- IPI 100 and 200 Series User's Manual
- Front Page
- Precautions
- FCC Class A Notice
- Quick Start Guide
- Table of Contents
- Ch. 1: Introduction
- Ch. 2: Installation
- Ch. 3: Operation
- Ch. 4: Configuration and Control
- Ch. 5: IPI 201 and IPI 204 Series SIS Programming and Control
- Appendix A: Specifications, Part Numbers, and Accessories
- Extron's Warranty
- Extron contact information

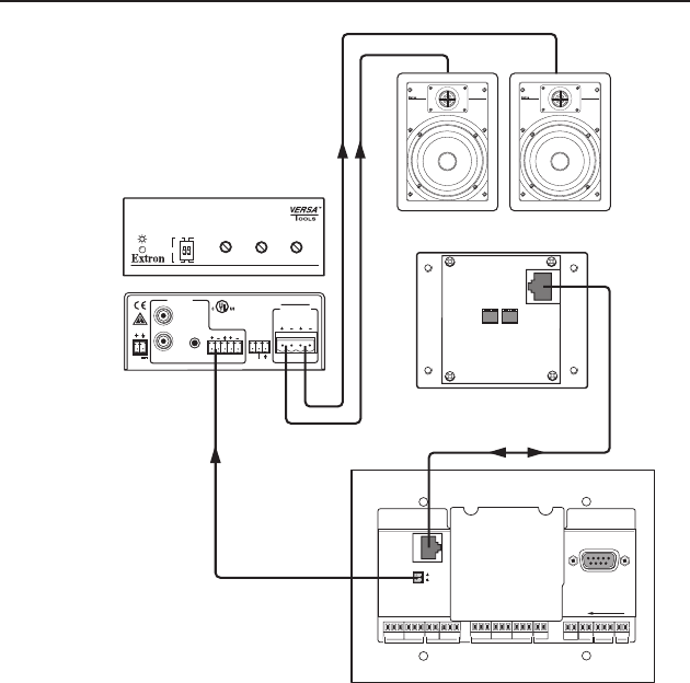
IPI 100 Series, IPI 200 Series • Installation
2-13
BASSLEVEL TREBLE
MINI POWER AMPLIFIER
MPA 122
ON
OFF
LIMITER
STEREO
DUAL
MONO
POWER
12V
3A MAX
OUTPUTS
4/8 Ohms
INPUTS
L
R
L
R
REMOTE
10V
VOL/MUTE
L
MPA 122
R
C US
HOST
CONTROL
R
1=DITIGAL I/O
2=Tx 3=Rx 5=GND
38400, N, 8, 1
PRESS TAB WITH
TWEEKER TO REMOVE
INTERCOM
AUDIO
OUT
LAN
IPI 104 AAP, IPI 101 AAP
Rear Panel
MPA 122
MLC 226 IP
SI 26W
SPW 82
TWO WAY IN-WALL LOUDSPEAKER
1" TITANIUM SWIVEL TWEETER
8" WOOFER
SPW 82
TWO WAY IN-WALL LOUDSPEAKER
1" TITANIUM SWIVEL TWEETER
8" WOOFER










