User manual
Table Of Contents

DT40_60_100M-de-DE_v1.0 8/17
4
Lagern Sie das Gerät nicht bei hohen Temperaturen/hoher Feuchte.
Entnehmen Sie die Batterien, wenn Sie das Gerät längere Zeit lagern.
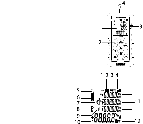
Beschreibung
Messegerät
1. LCD-Anzeigebereich
2. Tastenfeld
3. Level
4. Laserpointer
5. Sensorstrahl
Hinweis: Batteriefach auf der Rückseite des Messgeräts
Beschreibung der Anzeige
1. Messmodus für Strecken
2. Batteriestatus
3. Datenaufzeichnungssymbol
und Speicherposition (1 –
20)
4. Signalstärkesymbole
5. Laserpointer-
Standardmodus
6. Bezugspunkt (Oberseite
oder Unterseite des
Messgeräts)
7. Indirekte Messungen: Pythagoras (einzeln), Pythagoras
(doppelt) und Pythagoras (doppelt, Teilhöhe)
8. Absteckmodus
9. Flächen-/Volumenmodus
10. Haupt-/Ergebniszeile










