62GX 62CC Gas Engine Manual-MULTI
Manuals
Brands
Evolution Engines Manuals
Engines
62GX 62cc Single-Cylinder Gas Engine
41
42
43
44
45
46
47
48
49
50
48
V
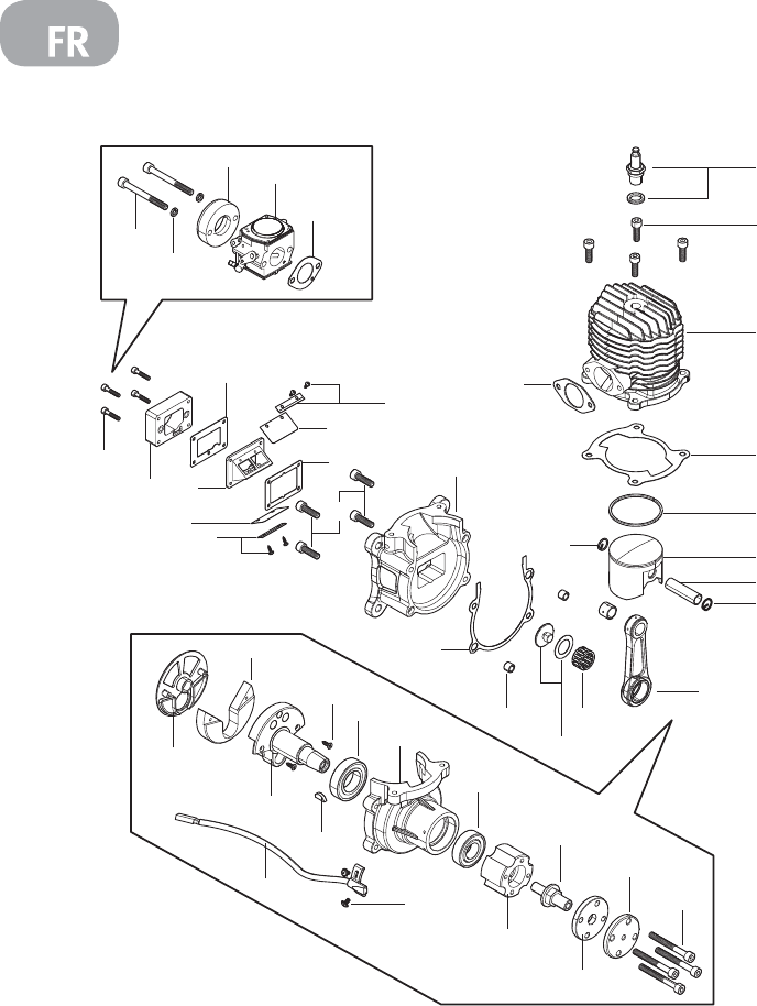
ue éclatée
1
35
32, 33
31
31
22
30
27
29
28
32,33
28
29
32,33
22
25
18
23
21, 33
18
18
19
20
21, 33
24
22
36
17
16
15
2
4
5
3
6
8,9
34
8
8,10
14
14
14
12
13
34
11
1
...
...
46
47
48
49
50
...
...
68