How to Guide
Manuals
Brands
Equator Advanced Appliances Manuals
Appliances
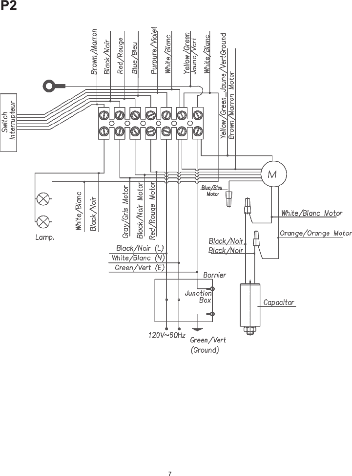
30-in Downdraft Range Hood (Stainless)
1
2
3
4
5
6
7
8
9
10
1
...
...
5
6
7
8
9
...
...
16