User's Guide

Table Of Contents
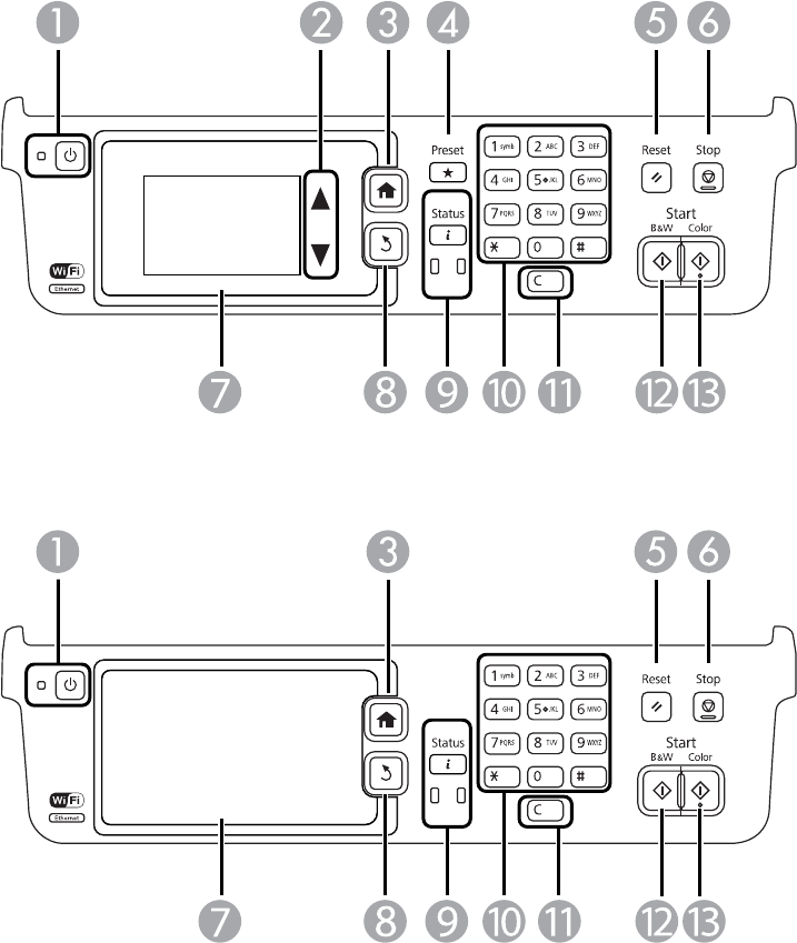
Control Panel Buttons and Lights
WF-3620
WF-3640
15