Datasheet

Surge Arrester A71-H35X
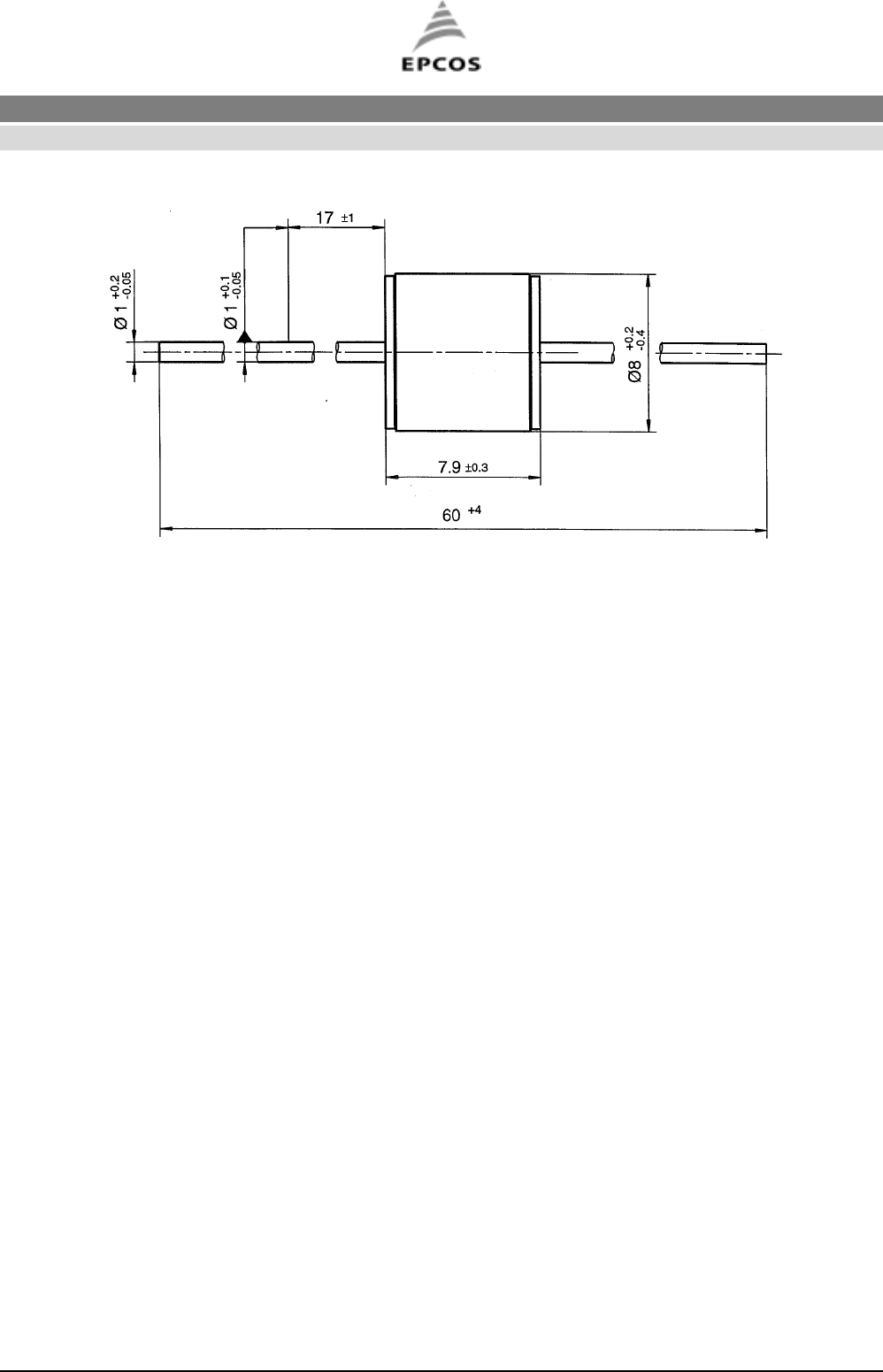
2-Electrode-Arrester Ordering code: B88069X2200S102
EPCOS AG 2002. Reproduction, publication and dissemination of this data sheet, enclosures hereto and the information
contained therein without EPCOS' prior express consent is prohibited.
Purchase orders are subject to the General Conditions for the Supply of Products and Services of the Electrical and
Electronics Industry recommended by the ZVEI (German Electrical and Electronic Manufacturers' Association), unless
otherwise agreed.
AB E / AB PM Issue 04, 18.04.2002
Page 2 of 2
Not to scale
Dimensions in mm
Non controlled document


