Datasheet

3 03/08
Please read Cautions and warnings and
Important notes at the end of this document.
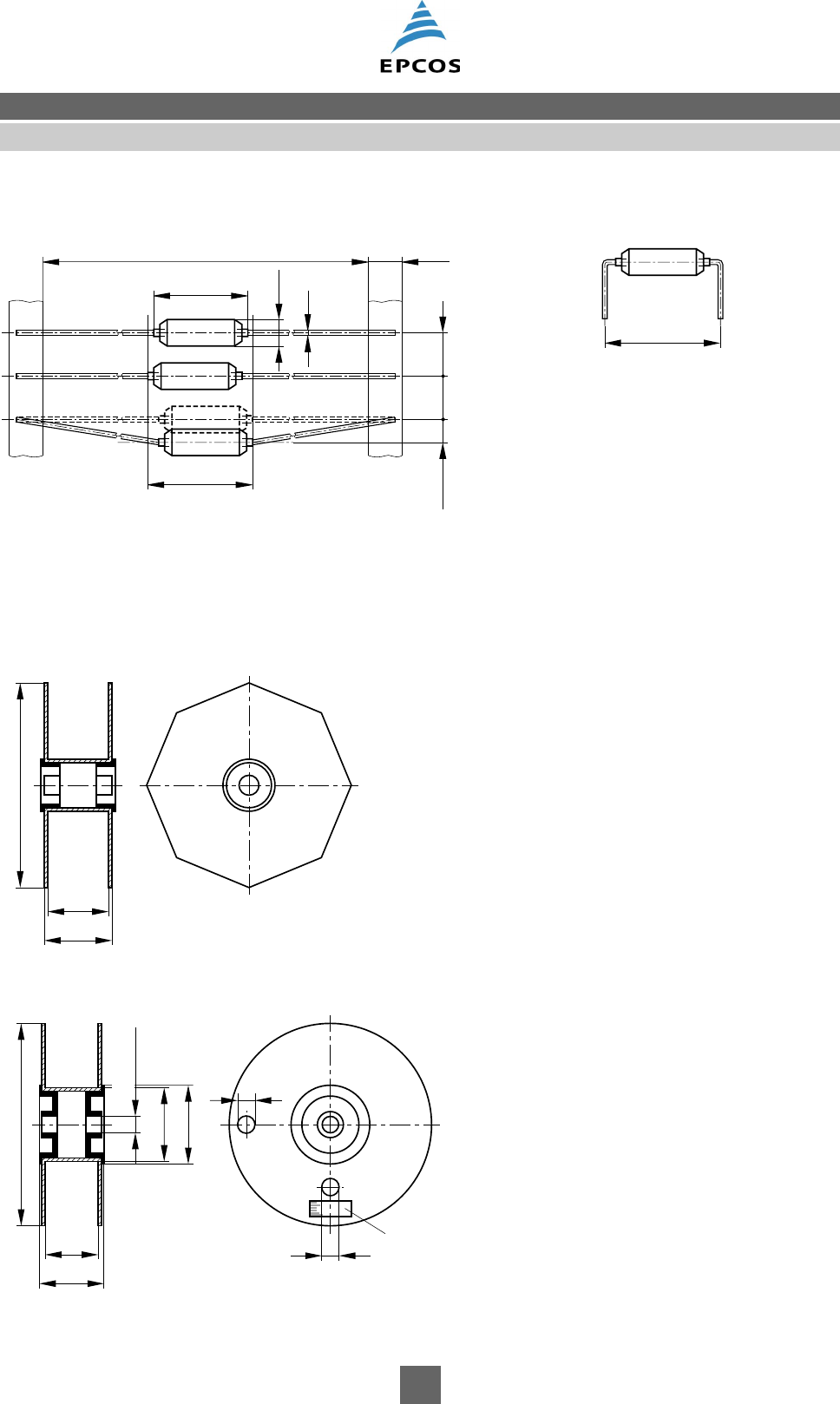
Dimensional drawing
Reel packing
Dimensions in mm
IND0150-S-E
26 max.
d max.
ø0.8
27.4 max.
9±0.5
10±0.510±0.5
1.2 max.
*)*)
*)
Tolerance over 10 spacings ±2 mm
73 1
_
IND0151-A
30 min.
Dimensions in mm
IND0625-B
325
97+1
109 max.
IND0451-4-E
ø360
_
1
95+1
107 max.
ø30.5±0.15
ø126+1
ø133
30
30
Label
B82111E*C020, C029
B82111E*C021 … C028
B82111EVHF chokes







