User guide
Manuals
Brands
EOS Manuals
Home building and Decor
EMOTEC B6000
10
11
12
13
14
15
16
17
18
19
18
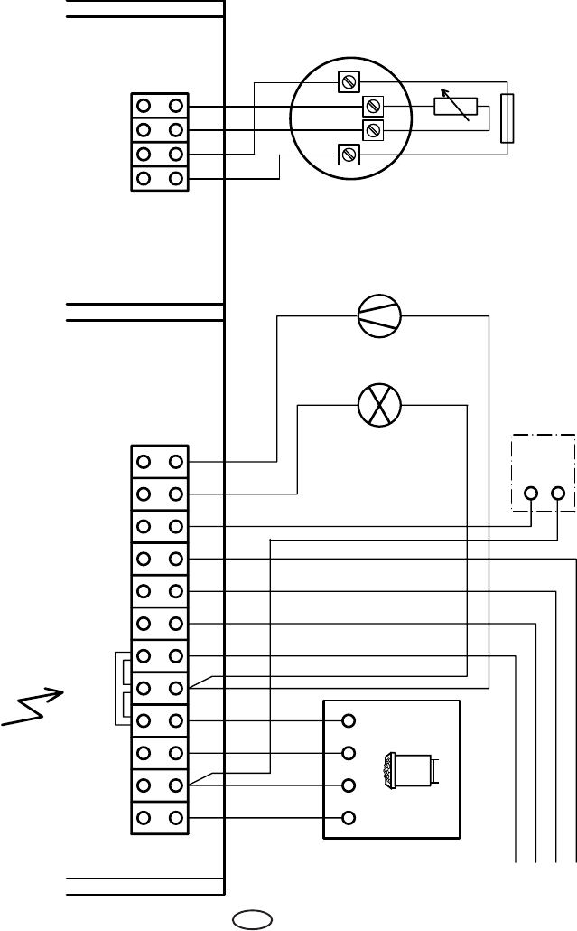
GB
Wiring diagram
Sauna control unit EMOTEC B6000
AC 400
V 3N
P max 9.0 kW
U
V W N
N
L1
L2
L3
light
S1
S2
400
V 3N AC 50 Hz
fan
w
KT
Y 11/5
139 ˚C
r
r
w
U
V
W N N N L1 L2 L3 S1 light fan
DC 12
V / 24
V
limiter
sensor
power
control unit
1
...
...
16
17
18
19