Technical data
Manuals
Brands
EOS Manuals
Home building and Decor
EMOTEC B6000
1
2
3
4
5
6
7
8
9
10
9
D
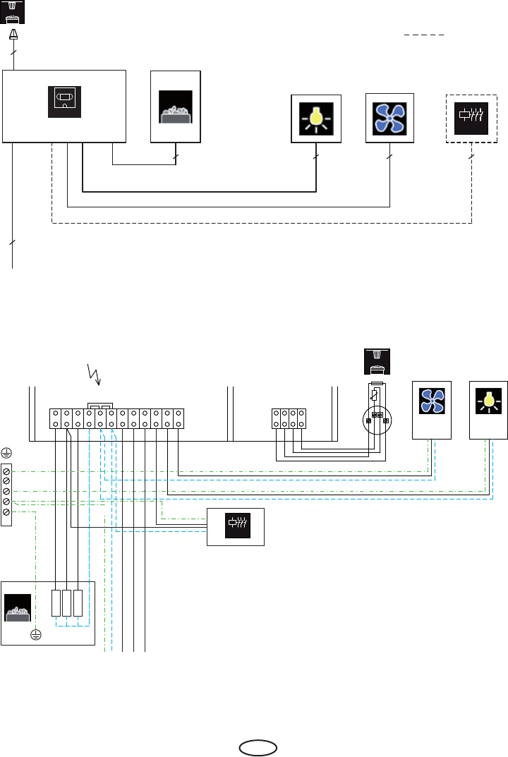
Installationsschema
4
3
3
5
4
5
= alternativ
400
V 3 N AC 50 Hz
LSG
Emotec
Anschluss Saunaheizgerät
AC 400 V 3N
w
KTY 11/5
142°C
r
r
w
U
V
W N N N L1 L2 L3 S1 ligh
t fan
DC 12 V / 24
V
limiter
sensor
LSG
max. 100 W
max. 100 W
P max. 9 kW
400 V 3N AC 50 Hz
1
...
...
7
8
9
10
11
...
...
60