Technical data
Manuals
Brands
EOS Manuals
Home building and Decor
EMOTEC B6000
41
42
43
44
45
46
47
48
49
50
48
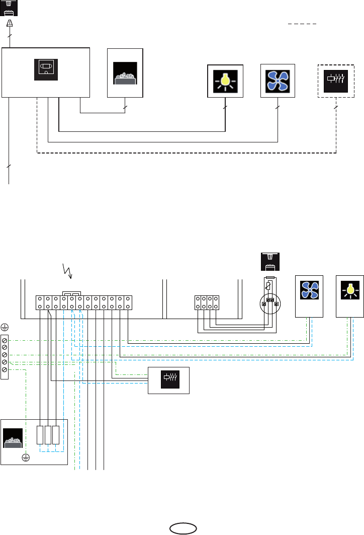
RU
Монтажная сх
ема
Раз
ъем для нагревательных приборов
4
3
3
5
4
5
= alternativ
400 V 3 N A
C 50 Hz
LSG
Emotec
AC 400 V 3N
w
KTY 11/5
142°C
r
r
w
U
V
W N N N L1 L2 L3 S1 light fan
DC 12 V / 24
V
limiter
sensor
LSG
max. 100 W
max. 100 W
P max. 9 kW
400 V 3N AC 50 Hz
1
...
...
46
47
48
49
50
...
...
60