Technical data
Manuals
Brands
EOS Manuals
Home building and Decor
EMOTEC B6000
21
22
23
24
25
26
27
28
29
30
29
GB
4
3
3
5
4
5
= alternativ
400 V 3 N A
C 50 Hz
LSG
Emotec
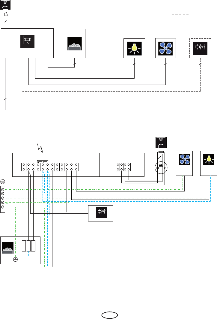
Installation diagram
Connection of the sauna heater
AC 400 V 3N
w
KTY 11/5
142°C
r
r
w
U
V
W N N N L1 L2 L3 S1 light fan
DC 12 V / 24
V
limiter
sensor
LSG
max. 100 W
max. 100 W
P max. 9 kW
400 V 3N AC 50 Hz
1
...
...
27
28
29
30
31
...
...
60