User's Manual

User’s Guide
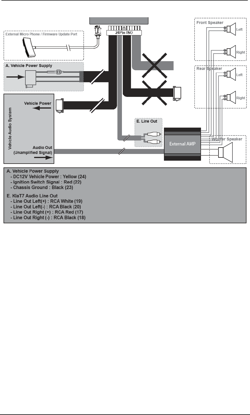
KlaT 8 7 of 25 Confidential Proprietary
With External AMP
- Connect 24pin ISO connector to the Brain box.
- Join the RCA jacks of the installation cable (red & white jack) to your car
stereo’s AUX IN connectors.
- Connect the mute wire (yellow) to the corresponding audio system’s mute-
input if available.
- Connect the microphone cable to the Brain box.
! Note
To deactivate or activate auxiliary configuration, press and hold the MFB until you
hear ‘Auxiliary interface is activated’ or ‘Auxiliary interface is de-activated’ when your
product is in idle mode.










