User Manual

Clamp Arm Machining Specifications
Fertigungsmasse für Spannarme
Spécifications pour l’usinage des bras de bridage
Especificaciones de fabricacion del brazo de fijacion
Specifiche della lavorazione a macchina del braccio di serraggio
Bewerkingsspecificaties voor klemarm
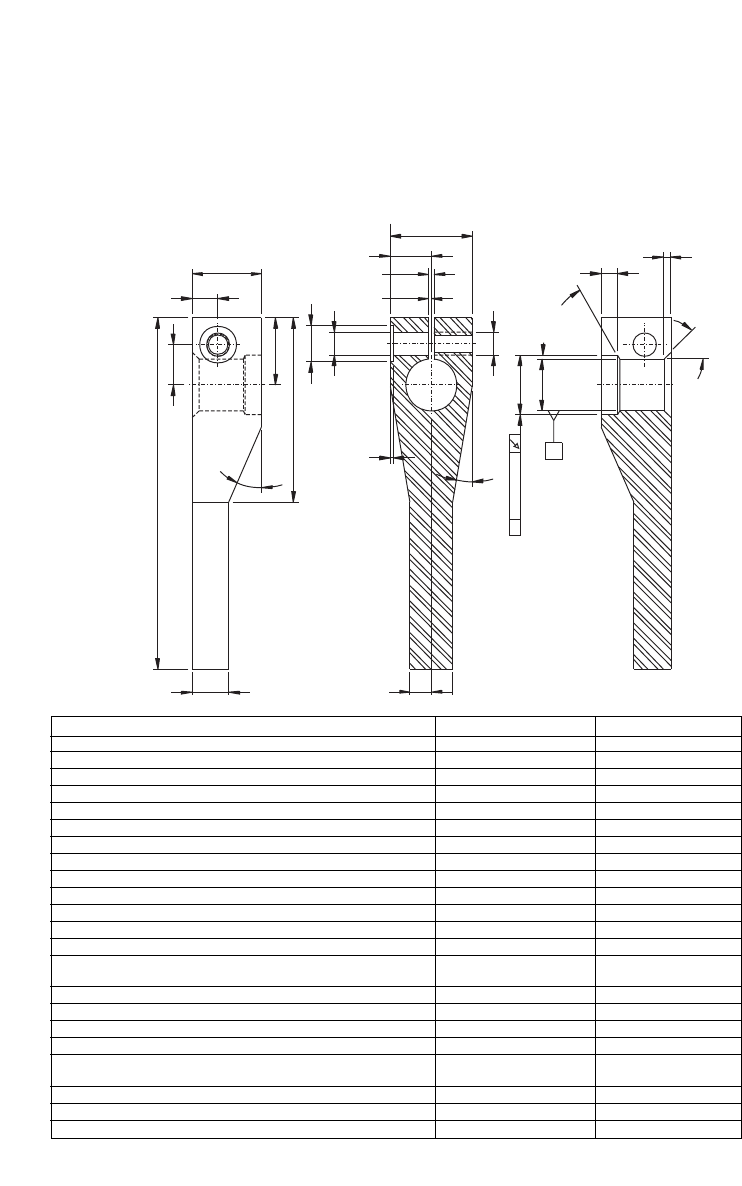
2,2 kN (500 lb) 5,6 kN (1250 lb)
"A" 16,5-15,8 (.65-.62) 19,5-18,8(.77-.74 )
"B" Max. 101,0-100,6 (3.98-3.96) 157,7-156,8 (6.21-6.17)
"C" 19,5-18,9 (.77-.74) 25,9-25,2 (1.02-.99)
"D" 10,6-10,0 (.42-.39) 11,9-11,3 (.47-.44)
"E" 9,2-9,6 (.36-.38) 12,8-13,2(.50-.52 )
"F"
(3 Places, 3 Stellen, 3 emplacements, 3 puntos, 3 punti, 3 Plaatsen) 49,7-48,8 (1.96-1.92) 70,8-69,9 (2.79-2.75)
"G" 18,1-18,7 (.71-.74) 22,1-22,8 (.87-.90)
"H" 8,7-9,1 (.34-.36) 11,2-11,6 (.44-.46)
"J" 9,4-10,1 (.37-.40) 12,5-12,9 (.49-.51)
"K" (Dia.,Durchm., diám., Diam.) Ø10,2-10,6 (.40-.42) Ø13,0-13,4 (.51-.53)
"L" 1,3-1,7 (.05-.07) 1,3-1,7 (.05-.07)
"M" (Dia.,Durchm., diám., Diam.) Ø7,12-7,34 (.280-.289) Ø8,69-8,91 (.342-.351)
"N" Thru (Durch, Traversant, Agujero N, passante, Doorloop) M6 x 1 M8 x 1,25 or M10 x 1,5
or .250-28 UNF-2b .3125-24 UNF-2B
"P" 5,4-5,8 (.21-.23) 6,9-7,3 (.27-.29)
"Q" 11,6-11,0 (.46-.43) 14,4-13,8 (.57-.54)
"R" (2 Places, 2 Stellen, 2 emplacements, 2 puntos, 2 punti, 2 Plaatsen)
7°-8° 6°-8°
"S" (Dia., Durchm., diám., Diam.) 11,82-11,91 (Ø.456-.469) Ø18,47-18,56 (.727-.731)
"T" (Dia., Durchm., diám., Diam.) 9,998-10,012 (Ø.3932-.3942) Ø15,990-16,014
(.6295-.6305)
"U" 3,0-3,5 (.12-.14) 4,1-4,5 (.16-.18)
"V" 0,5-1,0 (.02-.04) 0,5-1,0 (.02-.04)
"V" 13°-15° 11°-13°
13
55∞-60∞
"U"
"T"
"S"
0,08 [.003]
A
A
63√ [1,6]
1,1-1,5 [.04-.06]
2,1-3,0 [.08-.12]
"J"
"L"
"R"
2-PLACES
"P"
"M"
"K"
"N"
"D"
"H"
"A"
"F" 3-PLACES
"G"
"E"
"B"
"W"
40∞-50∞
"V"
"C"
Dimensions are in mm [in].
Abmessungen in mm [in].
Les dimensions sont en mm [po].
Las dimensiones se dan en mm [pulg].
Le dimensioni sono in mm [in].
Afmetingen zijn in mm [in].










