User Manual
Manuals
Brands
Enerdrive Manuals
Batteries & Power Systems
ePOWER B-TEC 200Ah Lithium Battery 40A DC2DC + 60A AC with ePro+ Monitor Charger Pack
11
12
13
14
15
16
17
18
19
20
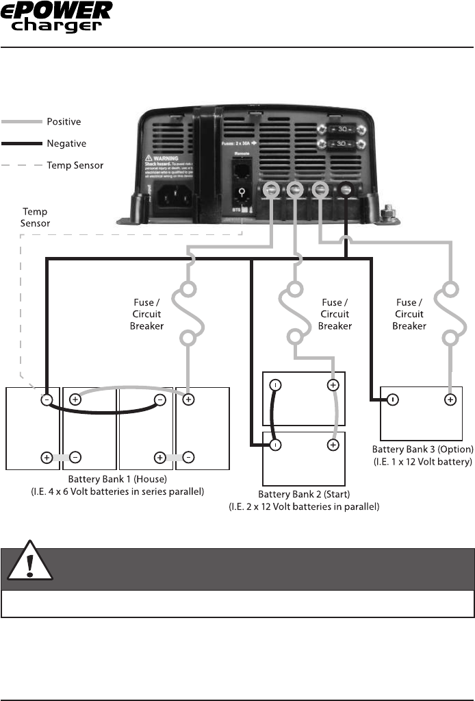
Batter
y Wiring: C
onnec
ting The Batteries The Right Wa
y
IMPORT
ANT NOTE
F
or Single Bank Charging: DO NO
T Connect Bank 2 And 3 Outlet.
Ene
rdrive e
POWER B
atte
ry Cha
rger O
wner
’s Manual (
Rev. 5.2) De
c 20
1
5
Page 20
1
...
...
18
19
20
21
22
...
...
40