Data Sheet

NEN-00-008
RoHS
E
D
C
B
A
1 2 3
NFEN-00-024 Rev:A
Design drawing
4
Tooling No.
DOC. NO.
PART NO.
5
REV.
SHEET
REVISION RECORD
Material/Plated/Notes
MARK
0000000
ECN-NO.
Dimension Range
SIZE
UNIT
X.XXX
NAME
ANGLE
X.XX
X.X
Tolerance
A3
APPROVED
mm
SCALE
UNLESS OTHERWISE
SPECIFIED TOLERANCE
CHECKED
DRAWN
E
DATE
D
THIS IS A RoHS
COMPLIANT
COMPONENT/
PRODUCT.
1 2 3
C
B
4 5
A
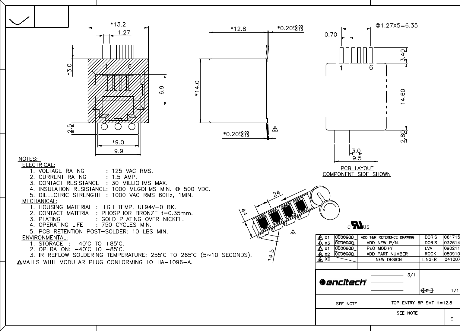
0RDERING INF0RMATI0N:
PART NUMBER PR0DUCT C0DE C0NFIGURATI0N
3251-0016-01 RJJU-66-121-E1V-014 6U" G0LD PLATING, 6P6C, WITH0UT MYLAR TAPE
3251-0016-02 RJJU-66-141-E1V-014 30U" G0LD PLATING, 6P6C, WITH0UT MYLAR TAPE
3251-0016-03 RJJU-64-121-E1V-014 6U" G0LD PLATING, 6P4C, WITH0UT MYLAR TAPE
3251-0016-04 RJJU-64-141-E1V-014 30U" G0LD PLATING, 6P4C, WITH0UT MYLAR TAPE
3251-0016-05 RJJU-66-123-E1V-014 6U" G0LD PLATING, 6P6C, WITH MYLAR TAPE
3251-0016-06 RJJU-66-143-E1V-014 30U" G0LD PLATING, 6P6C, WITH MYLAR TAPE
3251-0016-07 RJJU-64-123-E1V-014 6U" G0LD PLATING, 6P4C, WITH MYLAR TAPE
3251-0016-08 RJJU-64-143-E1V-014 30U" G0LD PLATING, 6P4C, WITH MYLAR TAPE
UL REC0GNIZED - FILE #E465899

