Instructions

107
If there is CT input module (EMI-920) in Module-1 socket and alarm
type parameter is , then it can be adjusted from 0.0 to
20.0A
V
V
HYS
ProcessSet- AlarmSet
HYS
ON
OFF
Process
Set
ProcessSet+ AlarmSet
Alarm
Output
ProcessValue
HYS
ProcessSet- AlarmSet
HYS
ON
OFF
Process
Set
ProcessSet+ AlarmSet
Alarm
Output
ProcessValue
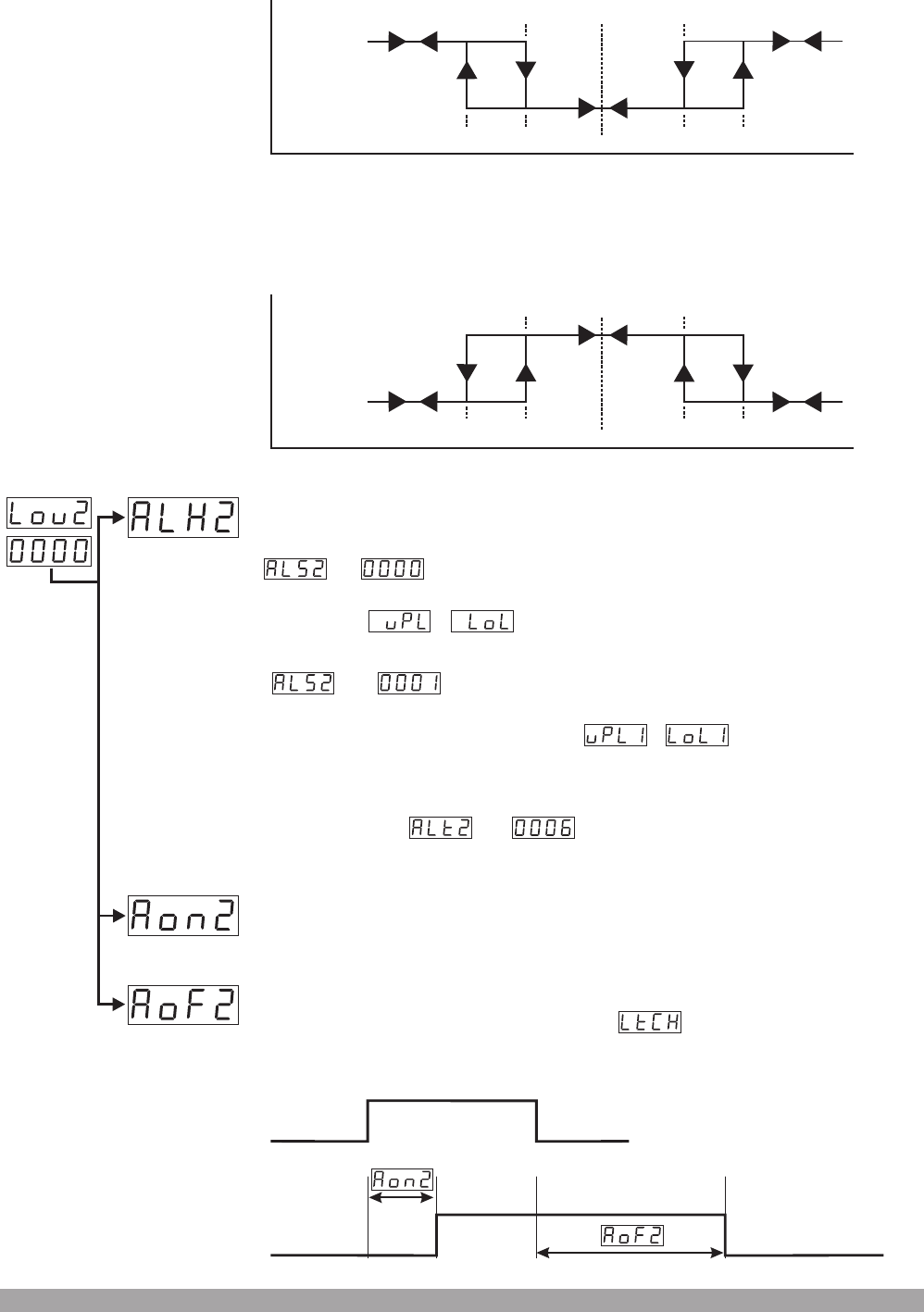
Deviation Band Alarm
Deviation Range Alarm
Alarm
Status
Alarm
Output
On
Delay
OFF
Delay
If is and there is one of the analog input module ( 2nd
sensor input) in Module-1 socket, then it can be adjusted from 0% to
50% of analog input module scale ( - )
If is or there is no analog input module (2nd sensor input
) in Module-1 socket, then it can be adjusted from 0% to 50% of process
input scale ( - )
Alarm- 2 hysteresis value. It is active if logic output function of Module-
2 is alarm output.
Alarm on delay time. It can be adjusted from 0000 to 9999 seconds. It is
active if logic output function of Module-2 is alarm output.
Alarm off delay time. It can be adjusted from 0000 to 9998 seconds.
When the value is greater than 9998, is seen on the display. It
means alarm latching output is selected. It is active if logic output
function of Module-2 is alarm output.










