Instructions

91
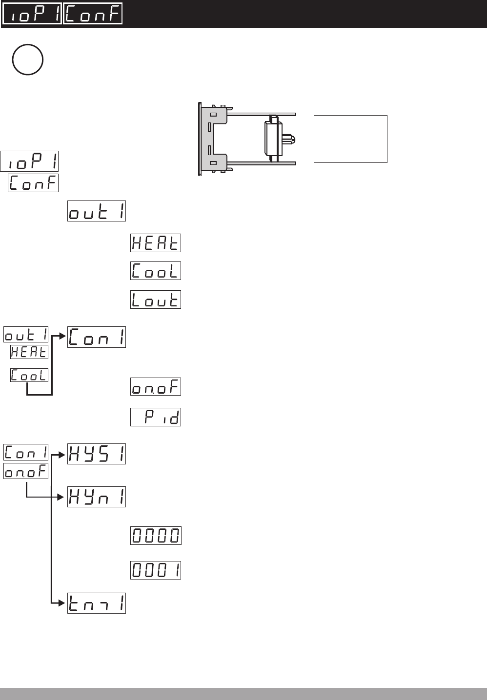
These parameters are active if EMO-900 (Relay Output) , EMO-910
(SSR Driver) or EMO-920 (Digital Output) module is plugged in
Module-1 socket.
Defines output function for Module-1
Heating
Cooling
Logic output
Defines control algorithm of output module in Module-1 socket. It is
active if output function of Module-1 is heating or cooling.
ON/OFF control algorithm
PID control algorithm
OR
Hysteresis value for OUT-1. It can be adjusted from 0% to 50% of
defined scale. ( It is active if ON/OFF control is selected)
Itdeterminesoperationformofhysteresis.
(ItisactiveifON/OFFcontrolisselected)
In ON/OFF operation, this time must be passed for the output to be
energised again. It can be adjusted from 0.0 to 100.0 seconds.
( It is active if ON/OFF control is selected)
SV + HYS/2 and SV - HYS/2
SV and SV+HYS or SV and SV-HYS
Module-1 configuration parameters are defined according to which input / output
modules are plugged in Module-1 socket.
EMO-900
EMO-910
EMO-920
i