Instruction manual
Table Of Contents
- Introduction
- Safety Instructions
- Specifications
- Packaged Accessories
- Tool Requirements
- ProSet® 2500 Tool Dimensions
- Common Nosepieces
- Basic Tool Operation
- ProSet® 2500 Front End Service
- Mandrel Collection System (MCS) – ProSet® 2500 MCS
- Cleaning the Collector Silencer
- Tool Assembly Torque Requirements
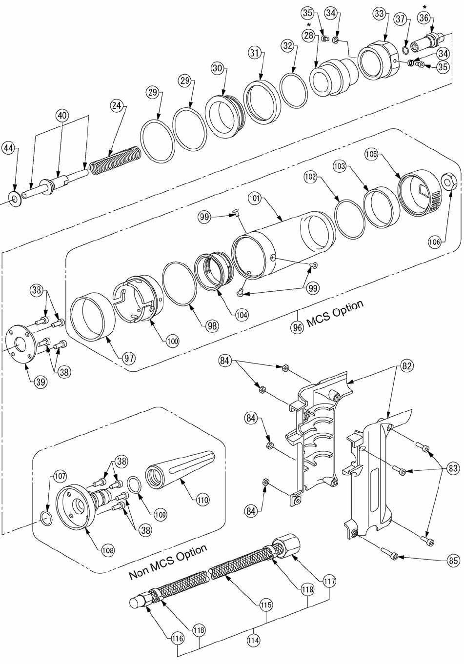
- ProSet® 2500/2500MCS Diagram
- ProSet® 2500 Parts List
- Hydraulic Oil Charging Procedure
- Maintenance
- Safety Data
- Troubleshooting
- EC Declaration of Conformity
- Conforms to the following standards:
- Signed: ____________________________________











