Satellite Radio User Manual
Table Of Contents
- Rosemount 848T High Density Temperature Transmitter with Foundation™ fieldbus

Reference Manual
00809-0100-4697, Rev EA
October 2011
Rosemount 848T
D-4
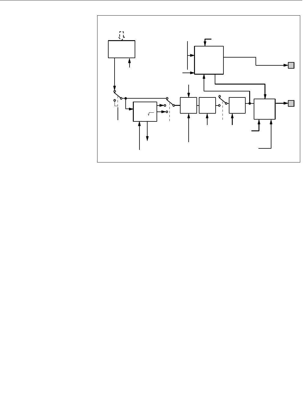
Figure D-2. Analog Input
Function Block Schematic
Filtering
The filtering feature changes the response time of the device to smooth
variations in output readings caused by rapid changes in input. Adjust the
filter time constant (in seconds) using the PV_FTIME parameter. Set the filter
time constant to zero to disable the filter feature.
Signal Conversion
Set the signal conversion type with the Linearization Type (L_TYPE)
parameter. View the converted signal (in percent of XD_SCALE) through the
FIELD_VAL parameter.
Choose from direct, indirect, or indirect square root signal conversion with the
L_TYPE parameter.
Direct
Direct signal conversion allows the signal to pass through the accessed
channel input value (or the simulated value when simulation is enabled).
Indirect
Indirect signal conversion converts the signal linearly to the accessed channel
input value (or the simulated value when simulation is enabled) from its
specified range (XD_SCALE) to the range and units of the PV and OUT
parameters (OUT_SCALE).
OUT = Block output value and status
OUT_D = Discrete output that signals a selected alarm condition
Analog
Measurement
Access
Analog
Meas.
CHANNEL
SIMULATE
OUT_SCALE
XD_SCALE
FIELD_VAL
L_TYPE
IO_OPTS
PV_FTIME
MODE
STATUS_OPTS
HI_HI_LIM
HI_LIM
LO_LO_LIM
LO_LIM
ALARM_HYS
ALM_SEL
OUT_D
OUT
PV
Convert
Cutoff Filter
Status
Calc.
Alarm
Detection
LOW_CUT
F
FIELD_VAL
100 Channel Value EU*@0%–
EU*@100% EU*@0%–
--------------------------------------------------------------------------------------------=
* XD_SCALE values
PV Channel Value=
PV
FIELD_VAL
100
-------------------------------
EU**@100% EU**@0%–EU**@0%+=
** OUT_SCALE values










