Data Sheet

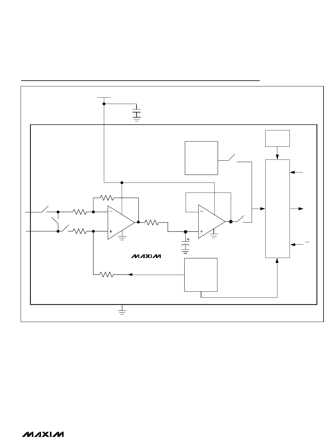
MAX6675
Cold-Junction-Compensated K-Thermocouple-
to-Digital Converter (0°C to +1024°C)
_______________________________________________________________________________________ 7
S1
S3
S2
T-
REFERENCE
VOLTAGE
1
GND
ADC
300kΩ
300kΩ
30kΩ
1MΩ
20pF
COLD-JUNCTION
COMPENSATION
DIODE
S5
S4
DIGITAL
CONTROLLER
SCK
SO
7
5
4
V
CC
A1
A2
6
CS
T+
3
2
0.1µF
30kΩ
MAX6675
Block Diagram








