Installation guide
Table Of Contents
- Chapter 1: Introduction
- Chapter 2: Network Planning
- Chapter 3: Installing the Switch
- Chapter 4: Making Network Connections
- Appendix A: Troubleshooting
- Appendix B: Cables
- Appendix C: Specifications
- Appendix D: German Instructions
- Glossary
- Index

4-2
Making Network Connections
4
2. If the device is a PC card and the switch is in the wiring closet, attach the other
end of the cable segment to a modular wall outlet that is connected to the wiring
closet. Otherwise, attach the other end to an available port on the switch.
Make sure each twisted pair cable does not exceed 100 meters (328 ft) in
length.
3. As each connection is made, the Link LED (on the switch) corresponding to
each port will light to indicate that the connection is valid.
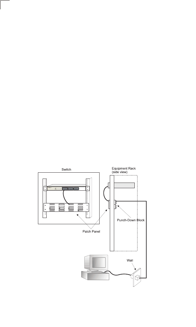
Network Wiring Connections
Today, the punch-down block is an integral part of many of the newer equipment
racks. It is actually part of the patch panel. Instructions for making connections in the
wiring closet with this type of equipment follows.
1. Attach one end of a patch cable to an available port on the switch, and the other
end to the patch panel.
2. If not already in place, attach one end of a cable segment to the back of the
patch panel where the punch-down block is located, and the other end to a
modular wall outlet.
3. Label the cables to simplify future troubleshooting.
Figure 4-2. Network Wiring Connections










