User Manual

47
M3X20
M3X12
M3x12
M3x15
M3X15
M3X10
M3X12
M3X12
M3X12
M3X12
M3X12
M3X12
M3X18
M3X10
M3X12
M3X15
M3X3
M2.5X8
M2.5X8
M2.5X4
M3X12
M3X12
M3X18
32
32
36 25 3538 10
39 39
22 3434 34
34 34
15
36
42
15101548 3548
1515
10
10
41
10
10
35 10 35 10
36
38
25
M2X16
M2X16
35
12
44
45
25
47
43
43
17
43
43
11
13
13
12
47
12
3
47
3
19
19
29
21
23
13
14
27
27
26
26
26
31
31
15
15
28
13
20
22
40
29
24
20
20
49
39
6
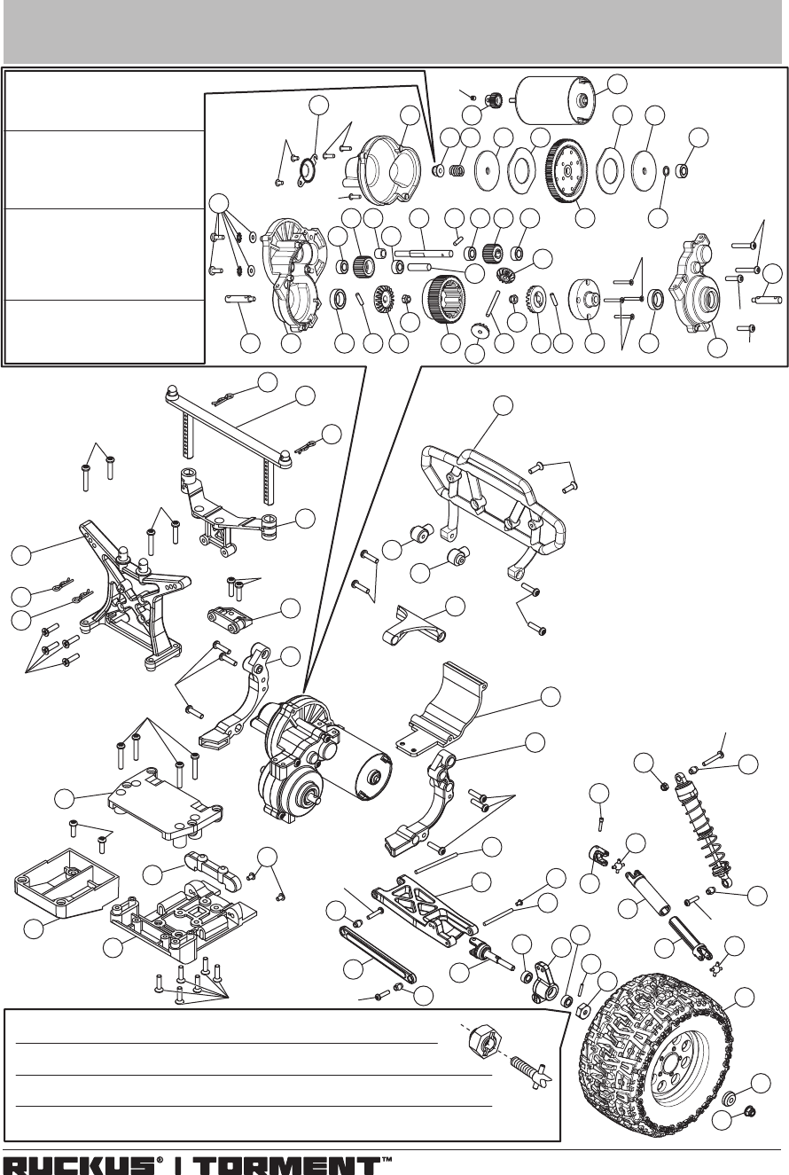
RUCKUS PARTS DIAGRAM | EXPLOSIONSZEICHNUNG |
VUE ÉCLATÉE DES PIÈCES | ESPLOSO DEL MODELLO CON REFERENZA PEZZI
The slipper clutch can be adjusted
using this locknut (ECX1060). Fully
tighten the locknut, then loosen the
nut two full turns.
Die Rutschkupplung kann durch
diese Stopmutter eingestellt
werden (ECX1060). Ziehen Sie die
Mutter an und drehen Sie dann
volle zwei Umdrehungen zurück.
Il est possible d’ajuster le
sliper par action sur cet écrou
de blocage (ECX1060). Veillez à
serrer l’écrou de blocage à fond.
Ensuite, devissez l’écrou de
deux tours complets.
La frizione può essere regolata
con questo dado autobloccante
(ECX1060). Prima avvitate comple-
tamente il dado, poi svitatelo 2 giri.
When installing the wheel, make sure the drive hex is aligned with the drive pin.
When the drive hex is removed, the drive pin can fall out of the axle.
Bitte achten Sie bei der Radmontage darauf, dass die Radachse im Radmitnehmer
sitzt und dass der der Querstift nicht heraus fällt.
Lors de l’installation de la roue, assurez-vous que l’hexagone de roue est aligné avec la goupille
d’entraînement. En cas de démontage de l’hexagone, la goupille peut sortir de l’axe et tomber.
Quando montate le ruote, accertatevi che il trascinatore esagonale sia allineato con la spina
del mozzo ruota. Quando togliete il trascinatore esagonale la spina può sfilarsi dal mozzo.










