Manual

11
Miracle Water Installation & Operation Manual
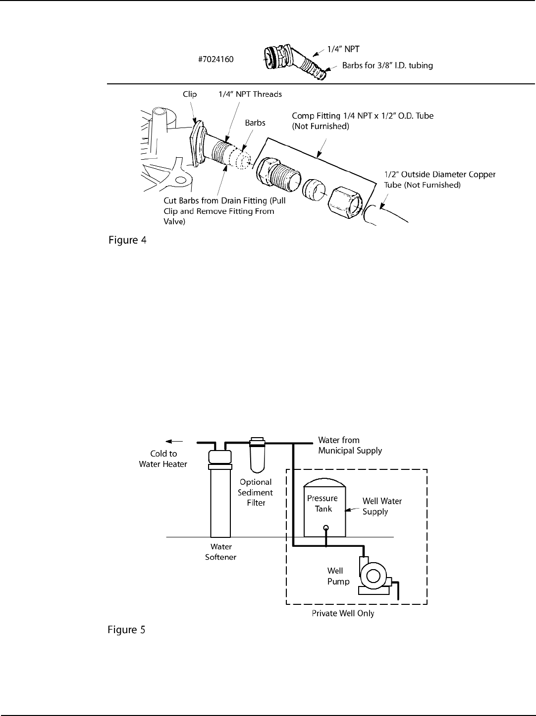
*VALVE DRAIN OPTIONS: Flexible drain hose is not allowed in all localities (check your plumb-
ing codes). For a rigid valve drain run, cut the barbed section off the drain fitting for access to the
1/4” pipe threads. Then plumb a rigid drain as needed (see Figure 4).
Select Installation Location
Consider all of the following when selecting an installation location for the unit.
• To condition all water in the home, install the unit close to the water supply inlet, and before all
other plumbing connections, EXCEPT outside water pipes. Outside faucets should remain on
hard water to avoid wasting conditioned water and salt.
• A nearby drain is needed to carry away regeneration discharge water. Use a floor drain, laundry
tub, sump, standpipe, etc., or other options (check your local codes).
• The water softener works on 28V DC electrical power, supplied by a direct plug-in power supply
(included). Provide nearby a 120V, 60 Hz electrical outlet in accordance with national and local
codes.
• Always install the unit BEFORE the water heater and after all other installed water condition-
ing equipment (see Figure 5 below).










