CD/MS Receiver with MP3/ATRAC3 Decoder and Remote Owner's Manual

147
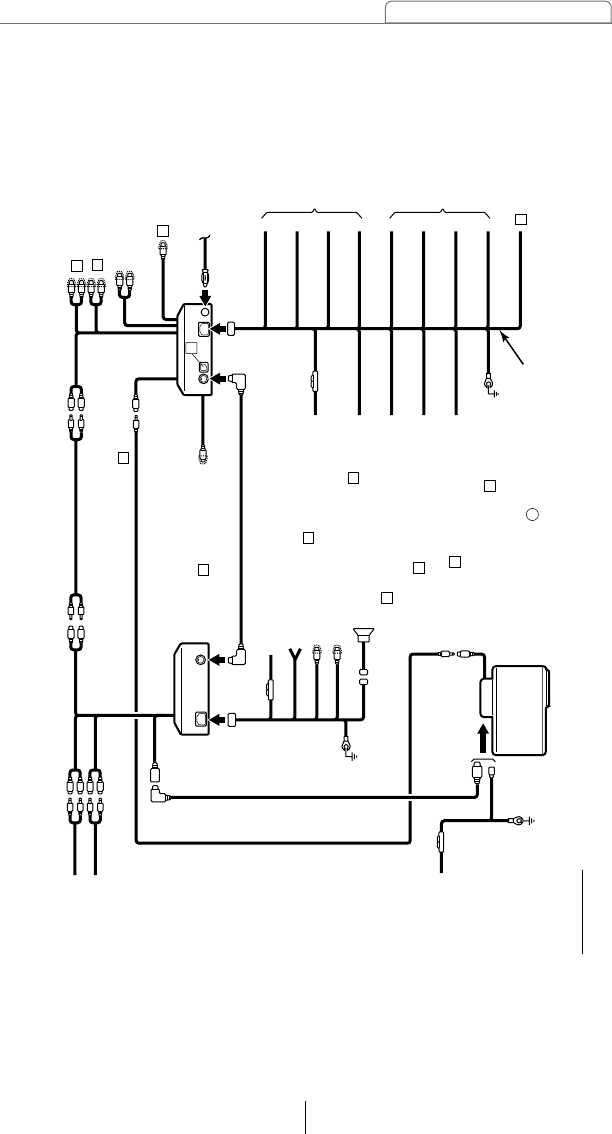
Mounting instruction
TO POWER ANTENNA RELAY
(Supply)
TO HEADLIGHT SWITCH
(Illumination)
TO ACC
(Power Supply)
1
TO BATTERY+12V
(Permanent Supply)
2
TO BATTERY+12V
(Permanent Supply)
TO BATTERY+12V
(Permanent Supply)
ESG-8220
TO GROUND
Pink
(+)
Purple/Black
(
-
)
Black
Purple
(+)
Green/Black
(
-
)
Blue/White
Orange/White
Blue
Red
Yellow
Green
(+)
Gray/Black
(
-
)
White/Black
(
-
)
White
(+)
13P
16P
CD5444
13P
13P
14P
2301
CH3083
13P
2P
ANTENNA PLUG
Gray
(+)
3
4
5
6
CELLULAR PHONE
(For mute)
12
FRONT
8
9
REAR
E-COM OUTPUT
CD5444+ 2301 + CH3083 + Power Amplifier
4)
TO SIGNAL INPUT
OF AUXILIARY
POWER AMPLIFIER
INSULATE EACH
WIRE WITH TAPE
INSULATE EACH
WIRE WITH TAPE
INTERCONNECTING CABLE
12
To Portable unit
(MP3 Player, MD Player, etc)
NO CONNECTION
TO TURN-ON LEAD
OF EACH UNIT (Supply)
14
DIGITAL IN
13
16
15
Caution
Never connect the power supply to the speaker leads, otherwise it cause damage to the main unit.
4) CD5444 + 2301 + CH3083 + Power Amplifier










