Instruction Manual
Manuals
Brands
Ecler Manuals
Equipment
SVA1-5
17
18
19
20
21
22
23
24
25
26
25
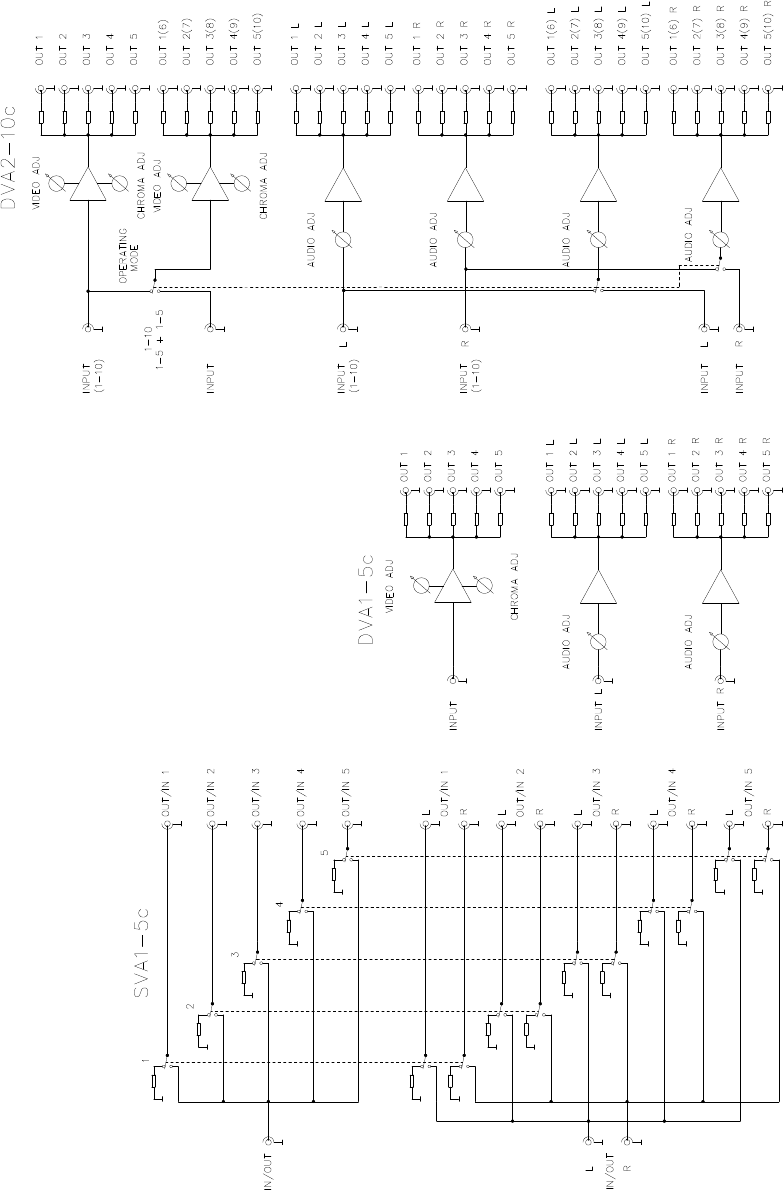
8.3. Block diagram
8.3. Diagrama de
bloques
8.3. Blocs de diagrammes
8.3. Blockschaltbild
1
...
...
23
24
25
26