Manual
Manuals
Brands
Ecler Manuals
Equipment
MIMO 54
35
36
37
38
39
40
41
42
43
44
41
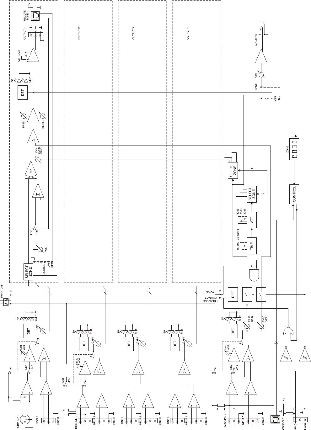
12. BLOCK DIAGRAM
12. DIAGRAMA DE BLOQUES
12. SCHEMA DE BLOCS
12. BLOCKSCHALTBILD
1
...
...
39
40
41
42
43
...
44