User manual

Table Of Contents
Seite 89
EA Elektro-Automatik GmbH
Helmholtzstr. 31-33 • 41747 Viersen
Telefon: 02162 / 3785-0
Telefax: 02162 / 16230
www.elektroautomatik.de
ea1974@elektroautomatik.de
PSI 9000 2U Serie
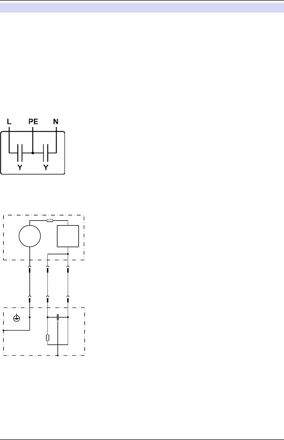
4.5 Ersatzableitstrommessung nach DIN VDE 0701-1
Die nach DIN VDE 0701-1 durchgeführte Ersatzableitstrommessung führt unter Umständen zu Ergebnissen, die
außerhalb der Norm liegen. Grund: die Messung wird in erster Linie an sog. Netzfiltern am Wechselspannungs-
eingang der Geräte durchgeführt. Diese Filter sind symmetrisch aufgebaut. Das heißt, es ist unter Anderem
jeweils ein Y-Kondensator von N und L(1/2/3) nach PE geführt. Da bei der Messung N und L(1/2/3) verbunden
werden und der nach PE abfließende Strom gemessen wird, liegen somit zwei Kondensatoren parallel, was den
gemessenen Ableitstrom verdoppelt.
Dies ist nach geltender Norm zulässig, bedeutet für die Messung aber, daß der ermittelte Wert halbiert werden
muß, um dann festzustellen, ob er der Norm entspricht.
Zitat aus der Norm, Abschnitt 5.7.4:
„…Bei Geräten mit zweipoliger Abschaltung und symmetrischer kapazitiver Schaltung darf der Meßwert bei diesem
Verfahren halbiert werden…“
Grafische Verdeutlichung der symmetrischen Schaltung:
Beispieldarstellung aus der Norm, Bild C.3c, Schutzleiterstrommessung, Ersatzableitstrommeßverfahren:
Hinweis: Das Bild unten zeigt das Meßverfahren für zweiphasige Netzanschlüsse. Bei einem Drehstromgerät wird
Phase N dann durch L2 und/oder L3 ersetzt.
1
mA
G
~
2k
PE L1 N
2