user manual

Power Outputs - Isolated Outputs 25 V
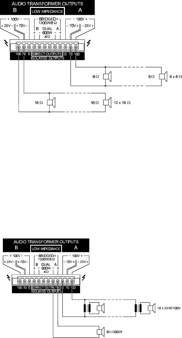
The floating 25 V output is mainly used for driving low impedance loudspeaker systems (4 - 16 ohms).
Because of the effect of line attenuation, the distance between power amplifier and loudspeaker systems
should not exceed 50 meters. It is further important that the total impedance of the entire loudspeaker
network does not decline the nominal load impedance of the 25 V output. For details on the nominal load
impedance of the 25 V output, please also refer to the specifications in the appendix.
figure: example configuration – DPA 4260 with 8 ohms and 16 ohms loudspeaker systems at
maximum load
Power Outputs – DIRECT OUTPUTS
In addition to the output transformer equipped outputs and for driving low impedance, high performance
loudspeaker systems, the power amplifier’s direct, low impedance outputs are carried out as well, offering
a minimal load impedance of 4 ohms. Each power amplifier channel is capable of simultaneously driving
loads at the direct output and at the isolated output. But it is of major importance that the overall power
consumption of the connected loudspeaker systems or lines does not exceed the output power capacity
of the power amplifier.
Example: If a loudspeaker system with 8 ohms and a nominal power handling capacity of 300 watts is
connected to the DPA 4260 channel A Direct Output, this equals exactly half of the power amplifier’s
output power capacity since the minimal load impedance for each channel is 4 ohms. That leaves the
possibility to utilizes exactly half of the nominal output power capacity of the channel A 100 V output –
which in this example equals 500 watts/2 = 250 watts – to supply a split loudspeaker line. The total
impedance of the loudspeaker line has not to decline 20 ohms*2 = 40 ohms.
figure: example configuration – DPA 4260 channel A in mixed mode
22










