OWNER'S MANUAL Power Amplifier H 2500, H 5000
Table Of Contents
- 1 Introduction
- 2 Installation
- 3 Operation
- 4 Options
- 1 Einführung
- 2 Installation
- 3 Betrieb
- 4 Optionen
- 1 Introduction
- 2 Installation
- 3 Fonctionnement
- 4 Options
- Specifications/Technische Daten
- Block Diagram / Blockschaltbild
- Dimensions / Abmessungen
- Declaration of conformity

PowerH SERIES
Mode d’emploi 97
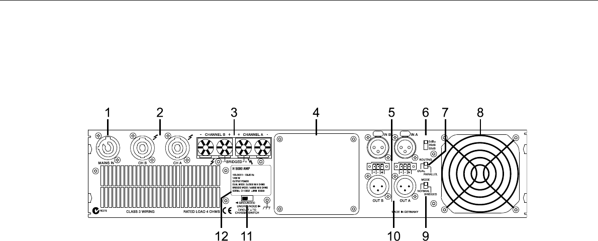
Arrière
Illustration 2.2 : Arrière du H2500/H5000
1
Entrée secteur PowerCon® (MAINS IN)
2
Sorties de l’ampli de puissance de type Speakon™ femelle (CH A, CH B)
3
Bornes de sorties de l’ampli de puissance (CHANNEL A, CHANNEL B, BRIDGED)
4
Slot d’extension
5
Entrées Audio de type XLR et Phoenix (IN A, IN B)
6
Sélecteur de Sensibilité d’entrée/Gain
7
Sélecteur de routage des entrées Audio (ROUTING)
8
Ventilateur
9
Sélecteur de mode de sortie de l’ampli de puissance (MODE)
10
Sorties Audio de type XLR (OUT A, OUT B)
11
Commutateur de masse (CIRCUIT ⊥ TO CHASSIS SWITCH)
12
Plaque d’identification










