OWNER'S MANUAL Power Amplifier H 2500, H 5000
Table Of Contents
- 1 Introduction
- 2 Installation
- 3 Operation
- 4 Options
- 1 Einführung
- 2 Installation
- 3 Betrieb
- 4 Optionen
- 1 Introduction
- 2 Installation
- 3 Fonctionnement
- 4 Options
- Specifications/Technische Daten
- Block Diagram / Blockschaltbild
- Dimensions / Abmessungen
- Declaration of conformity

PowerH SERIES
82 Bedienungsanleitung
Bedienelemente und Anschlüsse
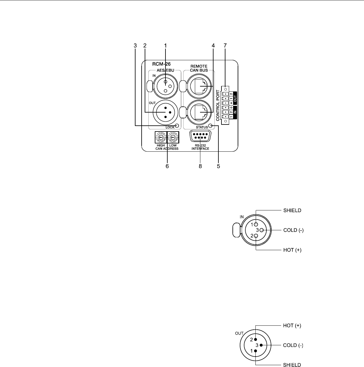
1 AES/EBU-IN
Neben den internen Analogeingängen steht ein digitaler
AES/EBU Eingang (AES3) zur Verfügung. Das digitale
Eingangssignal wird an die Buchse AES/EBU IN
angeschlossen. Es handelt sich um einen symmetrischen
Eingang mit Übertrager zur galvanischen Isolierung. Über
einen Sample-Rate-Converter wird das Signal an die
interne Abtastrate angepasst. Es besteht aber auch die
Möglichkeit, das RCM-26 auf die externe Abtastrate zu
synchronisieren. Details hierzu finden Sie in den Hilfe-
Dateien von IRIS-Net™. Abbildung 4.4 zeigt die Belegung
der Eingangsbuchse.
2 AES/EBU-OUT
Die Buchse AES/EBU OUT dient zum Durchschleifen des
digitalen Audiosignals zu weiteren RCM-26 Modulen. Das
digitale Eingangssignal wird intern gepuffert und aufbereitet
(Pegelaufholung / Flankensteilheit) und am OUT-Anschluss
wieder zur Verfügung gestellt. Dies ermöglicht eine
einfache Verkabelung von Modul zu Modul wobei auf die
sonst notwendigen AES/EBU Verteilerverstärker verzichtet
werden kann. Für den Havariefall besitzt das RCM-26 ein
Bypass-Relais, welches z. B. bei Stromausfall das Signal
von AES/EBU IN auf AES/EBU OUT durchschaltet und so
den störungsfreien Betrieb der nachfolgenden Remote
Verstärker gewährleistet.
Abbildung 4.3: Bedienelemente und Anschlüsse des RCM-26
Abbildung 4.4: Belegung AES/EBU-IN
Abbildung 4.5: Belegung AES/EBU-OUT










