OWNER'S MANUAL Power Amplifier H 2500, H 5000
Table Of Contents
- 1 Introduction
- 2 Installation
- 3 Operation
- 4 Options
- 1 Einführung
- 2 Installation
- 3 Betrieb
- 4 Optionen
- 1 Introduction
- 2 Installation
- 3 Fonctionnement
- 4 Options
- Specifications/Technische Daten
- Block Diagram / Blockschaltbild
- Dimensions / Abmessungen
- Declaration of conformity

PowerH SERIES
Owner’s Manual 37
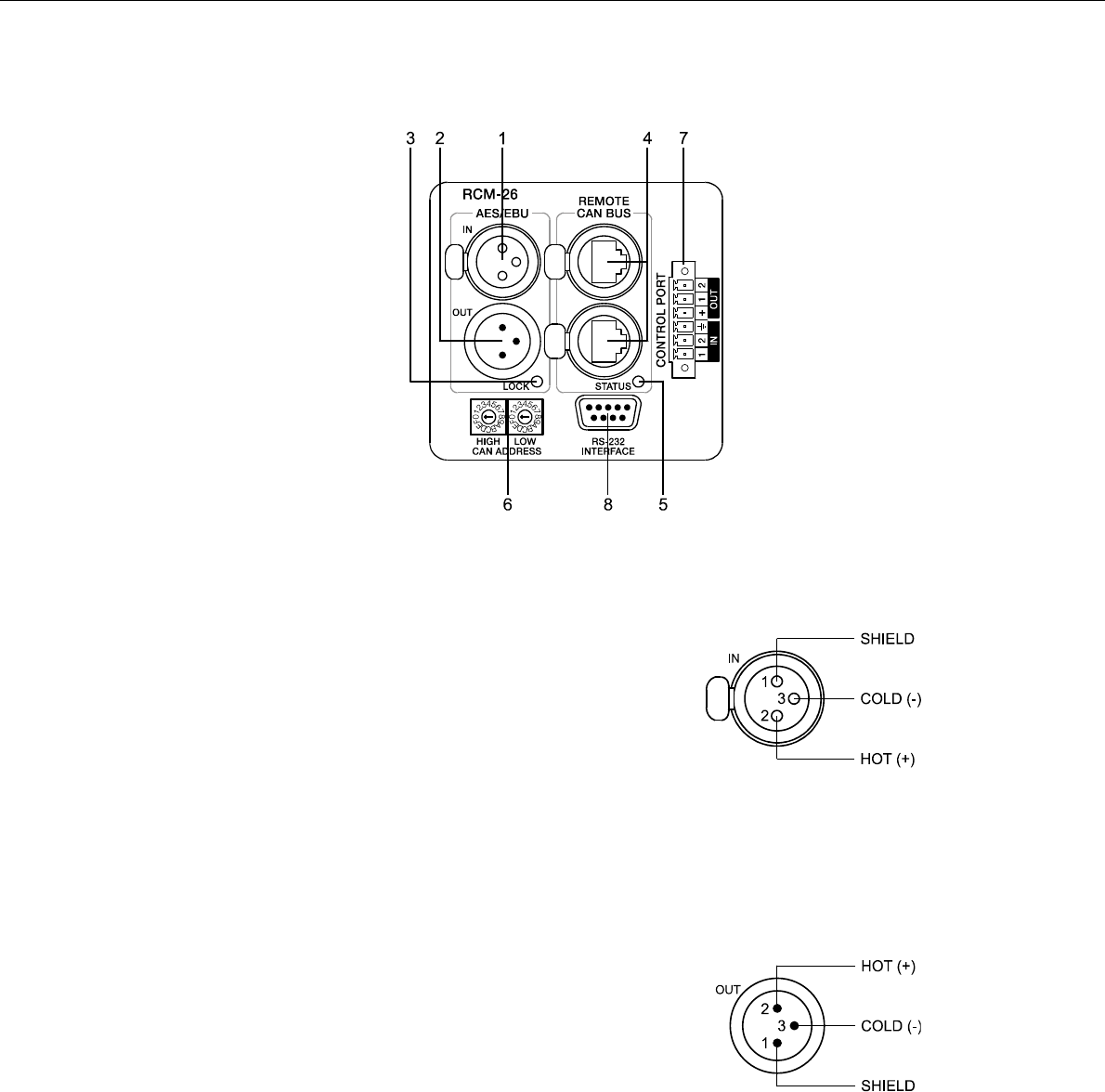
Controls and Connections
1 AES/EBU-IN
A digital AES/EBU input (AES3) is provided in addition to
internal analog inputs. The digital input signal has to be
connected to the AES/EBU IN connector. The AES/EBU
input is a balanced transformer-isolated input. A sampling
rate converter translates the input signal to match the
internal sampling rate. However, the possibility to
synchronize the RCM-26 to an external sampling rate exists
as well. For further details, please refer to the IRIS-Net™
help files. Illustration 4.4 shows the pin-assignment of the
input socket.
2 AES/EBU-OUT
The AES/EBU OUT connector allows looping-through the
digital audio signal to other RCM-26 modules. The digital
input signal gets internally buffered and preprocessed (level
matching / slew rate) before it is output via the OUT-
connector. This allows fairly simple wiring between
modules, without the need for AES/EBU distribution amps
as they are usually used.
The RCM-26 has a bypass-relay, which, in case of damage
(e.g. power outage), connects the AES/EBU IN signal
through to AES/EBU OUT. This ensures trouble-free
operation of downstream remote amps.
Illustration 4.3: Controls and Connections of the RCM-26
I l l u s t r a t i o n 4 . 4 : P i n - a s s i g n m e n t
of AES/EBU-IN
I l l u s t r a t i o n 4 . 5 : P i n a s s i g n m e n t
of AES/EBU-OUT










