OWNER'S MANUAL Power Amplifier H 2500, H 5000
Table Of Contents
- 1 Introduction
- 2 Installation
- 3 Operation
- 4 Options
- 1 Einführung
- 2 Installation
- 3 Betrieb
- 4 Optionen
- 1 Introduction
- 2 Installation
- 3 Fonctionnement
- 4 Options
- Specifications/Technische Daten
- Block Diagram / Blockschaltbild
- Dimensions / Abmessungen
- Declaration of conformity

PowerH SERIES
Mode d’emploi 127
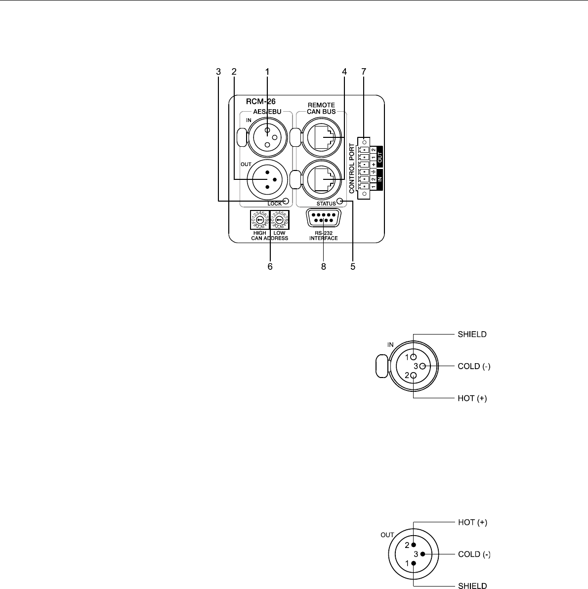
Commandes et connexions
1 AES/EBU-IN
Une entrée numérique AES/EBU (AES3) est fournie en
plus des entrées analogiques internes. Le signal d’entrée
numérique doit être relié au connecteur AES/EBU IN.
L’entrée AES/EBU est isolée par un transformateur
symétrisé. Un convertisseur de fréquence
d’échantillonnage convertit le signal d’entrée pour qu’il
corresponde à la fréquence d’échantillonnage interne.
Toutefois, la possibilité de synchroniser le RCM-26 à une
fréquence d’échantillonnage externe existe aussi. Pour les
détails, veuillez vous reporter aux fichiers d’aide IRIS-
Net™. L’illustration suivante représente le câblage de la
prise d’entrée.
2 AES/EBU-OUT
Le connecteur AES/EBU OUT permet de transmettre le
signal audio numérique à d’autres modules RCM-26. Le
signal d’entrée numérique est bufferisé en interne et
prétraité (correspondance de niveau / fréquence de
fonctionnement) avant de ressortir via le connecteur OUT.
Ceci permet un câblage simple entre les modules, sans
utiliser les habituels amplis de distribution AES/EBU.
Le module RCM-26 est équipé d’un relais-bypass, qui en
cas de problème (ex. saute de courant), connecte le signal
AES/EBU IN à la sortie AES/EBU OUT. Ceci pour assurer
un fonctionnement sans problème des amplis
télécommandés en aval.
Illustration 4.3: Commandes et connexions RCM-26
Illustration 4.4: Câblage de la prise AES/
EBU-IN
Illustration 4.5: Câblage de la prise AES/
EBU-OUT










