Operation Manual

5
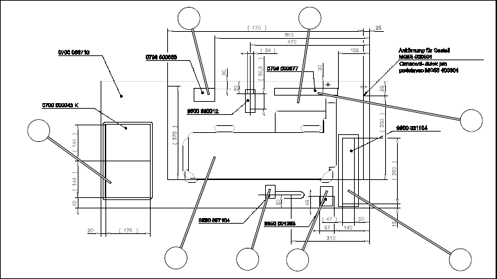
3.2 Tischplatte für MG 55-3 mit Direktantrieb komplettieren
Abb. 3
– Tischplatte 8 wenden.
– Kabelkanal 1 anschrauben.
– Motorsteuerung 2 anschrauben.
– Netzteil 3 anschrauben (Zusatzausstattung).
– Knieschalter 4 für den Nähfußhub anschrauben.
– Sollwertgeber 5 anschrauben.
– Schubkasten 6 mit seinen Halterungen anschrauben.
– Nählichttrafo 7 anschrauben (Zusatzausstattung)
– Elektrische Kabel nach (siehe Kapitel 4) dieser Anleitung montieren.
Abbildung in größerem Maßstab am Ende der Anleitung.
3.3 Tischplatte erstellen
Sollten Sie die Tischplatte selber erstellen, entnehmen Sie die Bemassungen
aus den Abbildungen am Ende der Anleitung.
6
7
8
5
3
2
1
4










