Operation Manual

Table Of Contents
Appendix
Operating Instructions 581 - 00.0 - 02/2015130
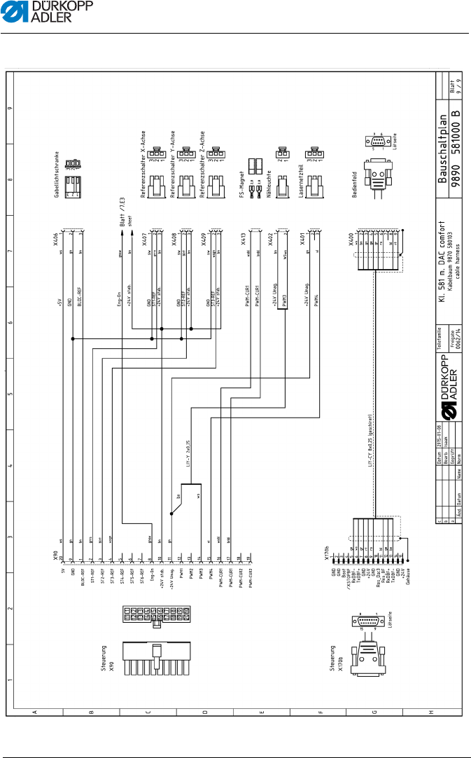
Fig. 78: Wiring diagram (9)