Operation Manual
Manuals
Brands
Durkopp Adler Manuals
Miscellaneous
525
28
29
30
31
32
33
34
35
36
37
11
1
2
.
4
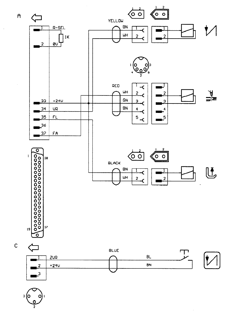
E
l
e
k
t
r
i
sc
h
e
r
A
n
sc
h
l
uß
de
s
M
a
sc
h
i
nen
k
o
p
f
e
s
z
u
m
St
opp
m
o
t
or
S
c
h
a
l
t
b
i
ld
S
t
o
p
p
m
o
t
o
r
S
3
5
9
60
0
0
4
5
XX
X
-
EF
K
A
D
C
1
6
0
0
/D
A
8
2
GA
g
e
lb
r
ot
s
c
h
w
a
rz
b
l
au
1
...
...
32
33
34
35
36
...
37