User`s manual
Table Of Contents

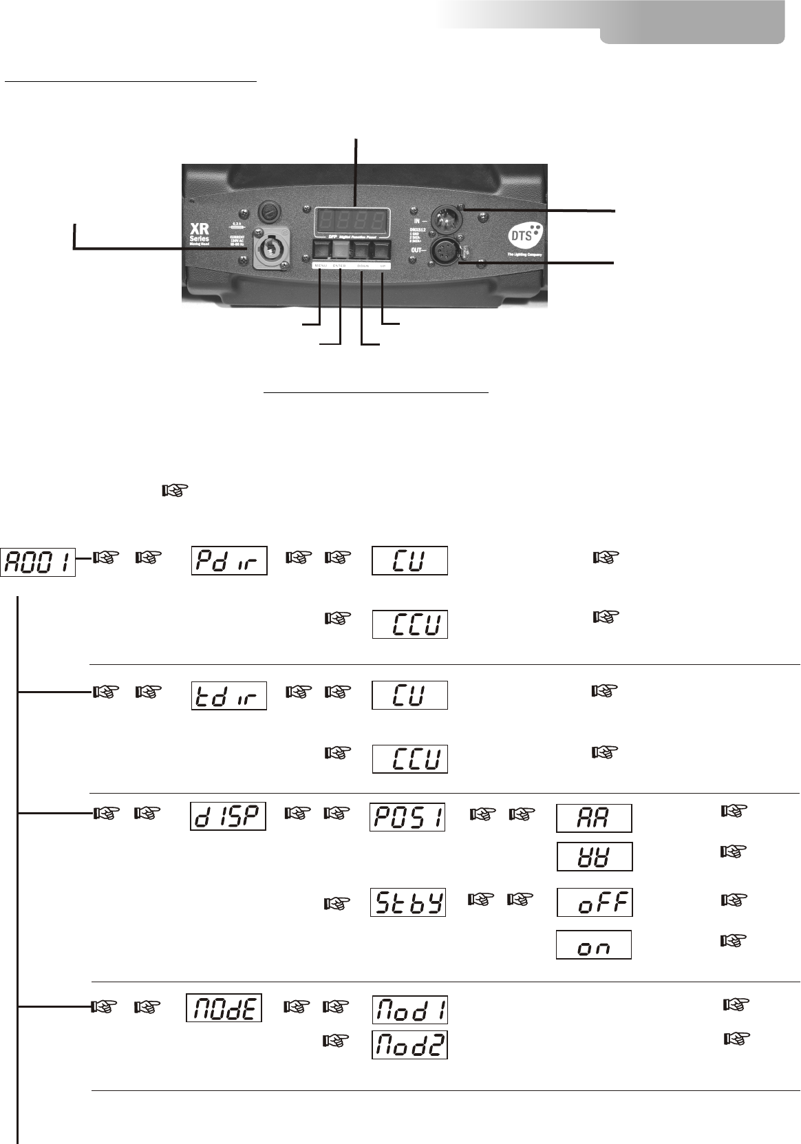
DMX IN
DMX OUT
DISPLAY
8- DISPLAY FUNCTIONS
MENU
ENTER
DOWN
UP
DISPLAY FUNCTIONS
The XR8 display panel shows all the available functions . Using these functions, it is possible to
change some of the parameters and add some functions. Changing the DTS setting can vary the
functions of the unit so that it does not respond to the DMX 512 used to control it. Carefully follow
the instructions below before carrying out any variations or selections.
NOTE: the symbol shows which key has to be pushed to obtain the desired function.
Up-DownMENU ENTERUp-Down
PAN MOVEMENT INVERSION
To reverse Pan movement from left
to right and vice versa
Up-Down
Counterclockwise
Clockwise
Up-DownMENU ENTERUp-Down
TILT MOVEMENT INVERSION
To reverse Tilt movement from
bottom upwards and vice versa
Up-Down
Counterclockwise
Clockwise
Up-DownMENU ENTER
DMX MODE
To select DMX mode :
Mode 1 or Mode 2
16 CHANNELS
(Pan & Tilt 16 bit)
16 CHANNELS
(Pan & Tilt 16 bit)
Up-Down
Up-Down
ENTER
ENTER
ENTER
ENTER
ENTER
ENTER
Up-Down
MENU
ENTERUp-Down
REVERSE DISPLAY
Reverses display's reading depending on
the mounting position
(On the ground or suspended).
Up-Down
Floor
position
Suspension
position
Up-DownENTER
Up-DownENTER
DISPLAY STAND BY
To turn off the display (after 5 seconds)
Or leave it always on.
Display OFF
Display
always ON
ENTER
ENTER
ENTER
ENTER
XR8 WASH
DEFAULT
SAME FIXTURE AS
XR 7 WASH
MAINS
Electronic ballast
90-245V 50 / 60Hz
Electromagnetic ballast
230 V 50/60 Hz (standard)
On request: 100 V 50-60 Hz
120 V 60 HZ / 208 V 60 Hz
11










