Installation manual
Manuals
Brands
DSC Manuals
Automotive
PDigital Security PC1565
1
2
3
4
5
6
7
8
9
10
ii
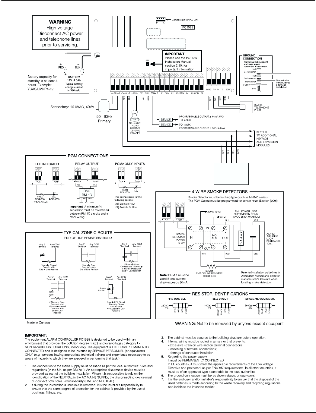
PC1565 W
iring Diagram
COMP
A
TIBLE
SYSTEM KEYP
ADS
LCD5500Z
LCD5501Z
LCD5501Z32-433
PC5508Z
PC5509
PC5516Z
PC5532Z
PC1555RKZ
1
...
2
3
4
5
6
...
...
52