Installation manual

6
The following chart shows zone status under certain condi-
tions:
Loop Resistance Loop Status
0Ω (shorted wire, loop shorted) Fault
5600Ω (contact closed) Secure
Infinite (broken wire, loop open) Tamper
11200Ω (contact open) Violated
End of Line Resistors. . . . . . . . . . . . . . . . . .Section [013]: [1]
Double End of Line Resistors . . . . . . . . . . . Section [013]: [2]
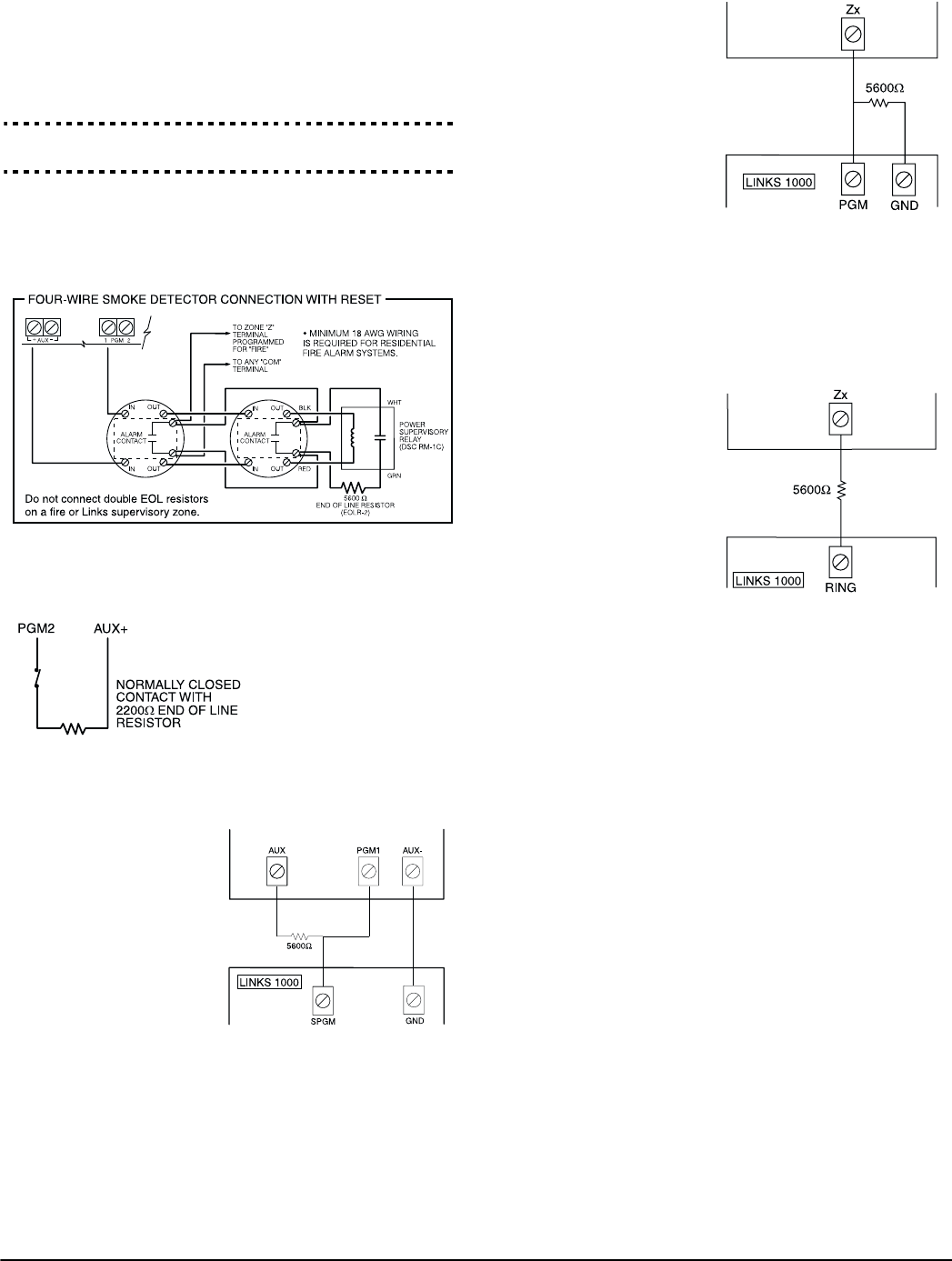
2.9 Fire Zone Wiring
4-Wire Smoke Detectors
All fire zones must be wired according to the following dia-
gram:
2.10 24-Hr Auxiliary Input Wiring (PGM2)
If PGM2 has been programmed for 24-hour operation, the
zone must be wired according to the following diagram:
NOTE:If PGM2 is pro-
grammed for 24-Hr Auxil-
iary Input support, the
connector JP1 on the
main board must be
removed.
2.11 LINKS Zone Wiring
LINKS Support
When using the LINKS1000
cellular communicator, con-
nect the LINKS to the main
panel according to the fol-
lowing diagram:
LINKS Supervision (24-hr Supervisory)
When using the
LINKS1000 cellular com-
municator, any main board
zone may be configured
for LINKS Supervision. Pro-
gram this zone as zone
type [09], 24-hr Supervi-
sory in section [001].
With a LINKS Supervisory
zone, if the LINKS1000
experiences a trouble, the
zone will be violated, caus-
ing the panel to report the
event to the central station.
This type of zone always
requires a single EOL
resistor (5600Ω).
Wire this zone according to the above diagram.
LINKS Answer
When using the LINKS1000
cellular communicator, any
main board zone may be
configured for LINKS
Answer.
A zone configured for
LINKS Answer allows
downloading to be per-
formed in the event of tele-
phone line failure. When
the LINKS receives a tele-
phone call, it will activate
the RING terminal on the
LINKS circuit board. The
zone programmed as LINKS Answer always requires a single
EOL resistor (5600Ω).
Wire the LINKS Answer zone according to the above diagram.
NOTE: The LINKS Answer zone is only required for download-
ing to the panel via the LINKS.
NOTE: When using the LINKS, Busy Tone Detection must not
be used.
NOTE: Keypad zones cannot be used for 24-hr Supervisory or
LINKS Answer.
2.12 Keypad Zones
Each “z” keypad on the system has a zone input to which a
device - such as a door contact - can be connected. This
eliminates the need to run wires back to the control panel for
every device.
To install the keypad, open the keypad plastic by removing the
screw at the bottom of the unit. Locate the five terminals on
the keypad circuit board. Connect the four Keybus wires from
the control panel: the red wire to R, the black to B, the yellow
to Y and the green to G.
To connect the zone, run one wire to the Z terminal and the
other to B. For powered devices, use red and black to supply
power to the device. Run the red wire to the R (positive) termi-
nal and the black wire to the B (negative) terminal.
When using end of line supervision, connect the zone accord-
ing to one of the configurations outlined in section 2.8 “Zone
Wiring”. End of line resistors must be placed on the device
end of the loop, not at the keypad.










