Data Sheet
Manuals
Brands
Drive System Europe by MSW Manuals
Automation
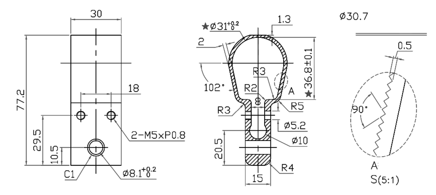
Mount DSZY1-H01 Thrust 1000 N 1 pc(s)
1
www.drive-system.com
engineering@drive-system.com
1
Summary of content (1 pages)
PAGE 1
www.drive-system.com engineering@drive-system.