User guide
Manuals
Brands
Drawmer Electronics Manuals
Audio
MX50 Pro Dual Vocal De-esser
4
5
6
7
8
9
10
11
12
13
MX50 OPERATORS
’ MANUAL
10
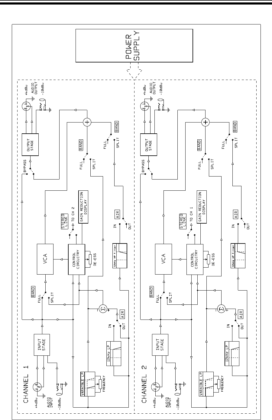
B
L
O
C
K
D
I
A
G
R
A
M
1
...
...
10
11
12
13