User manual
Manuals
Brands
Dometic Manuals
Absorption 3 Way Fridges
3 Way Fridge & Freezer 90L
7
8
9
10
11
12
13
14
15
16
15
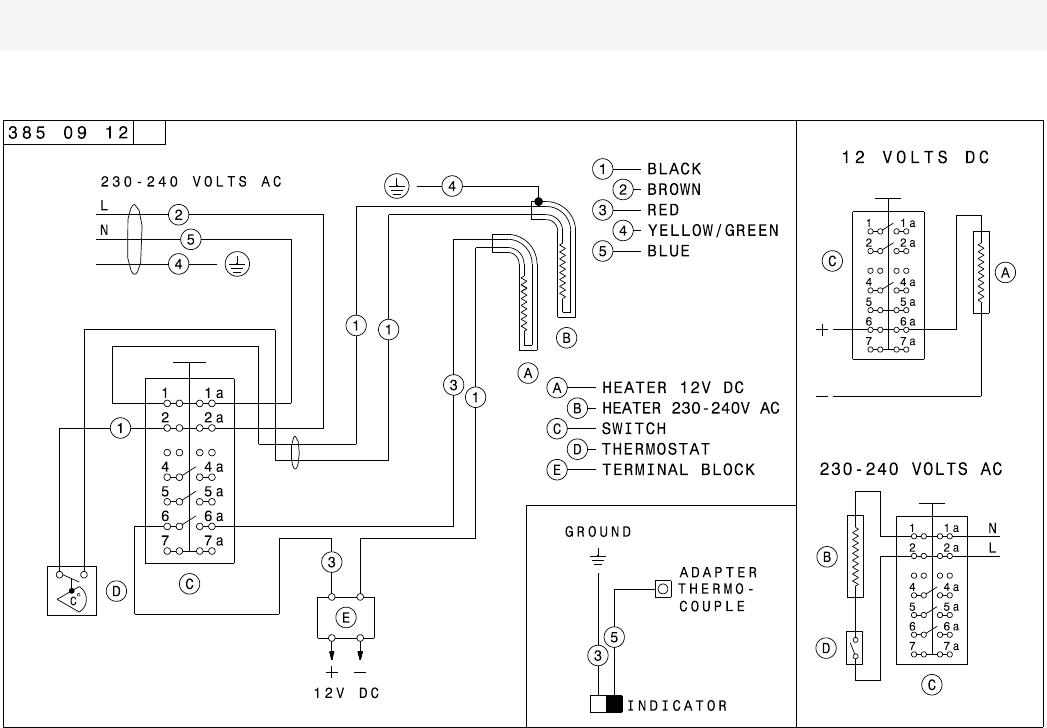
APPENDIX C - WIRING DIAGRAM
1
...
...
13
14
15
16