Operation Manual
Manuals
Brands
Dometic Manuals
Battery Charger
MCA2415
1
2
3
4
5
6
7
8
9
10
MCA
1215 – MCA
2440
5
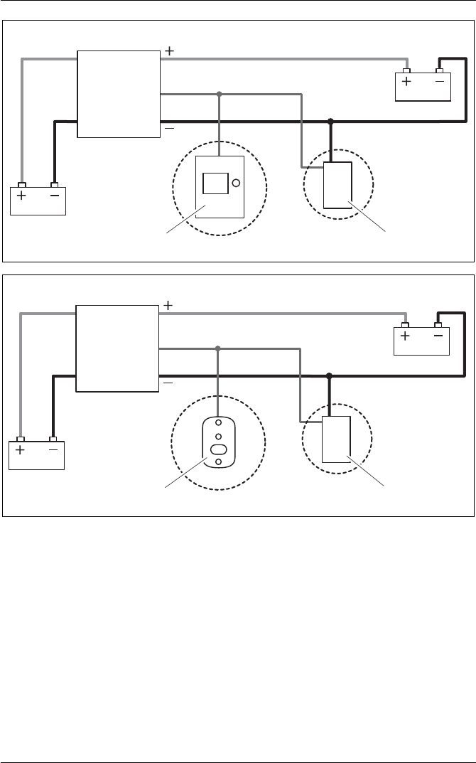
MPC01
MCA-HS1 (IBS)
LIN
3
MCA-RC1
MCA-TS1/MCA-HS1 (IBS)
LIN
4
1
...
2
3
4
5
6
7
...
...
432