Manual

©2013 DJI Innovations. All Rights Reserved. 15
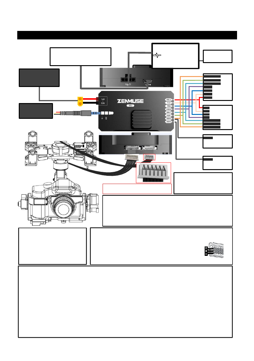
GCU Wiring
GCU Wiring
Gimbal Controller (GCU)
RC Receiver
These are example connections. Prepare 2 TXs, one is for gimbal control, the other one for aircraft control, refer to
2-Pilots
Solution
for more detail in
Appendix.
If one receiver is used for aircraft and gimbal control at the same time, refer to
1-Pilot Solution
for detail in
Appendix
.
Setup Aileron, Elevator, Rudder channels on gimbal control TX. Command stick stands for gimbal rotation velocity,center
position is for 0,endpoint for maximum velocity(both clockwise and counter clockwise directions). (End Point is 100%)
Choose one 3-position switch/channel as Z15 working modes switch.(MODE)
Choose one 2- position switch/channel As camera shutter control switch(SHUT), one for HDMI switch(AUX1), one for
camera lens orientation switch in Reset Mode (AUX2).
Please refer to WKM/ACE ONE/ACE Waypoint User Manual for aircraft control setting.
Connect the receiver to GCU correctly.
Battery
Connect the XT60 to the GIMBAL on center frame if S800 EVO used.
Attention that S800 EVO power supply voltage should be within the
defined limits (6S), when using one battery for both S800 EVO and
Gimbal power supply.
Please refer to
S800
EVO
User Manual
for details.
Battery
(4S~12S)
Make sure the ports are accessible when installing the MC so as to facilitate
wiring and software configuration.
In 3-pin ports, pins near the nicks are signal pins.
6-pin cable for G6, 8-pin cable for G8.
DO NOT cover the heat sinks, keep them unobstructed.
The IMU module is NOT water-proof or oil-proof.
Wireless Video
Transition Module
Air End
WKM/ACE ONE/ACE Waypoint
Please refer to WKM/ACE ONE/
ACE Waypoi nt User Manual for all
connection and configuration details.
WKM/
ACE ONE/
ACE Waypoint
Any spare CAN port on DJI
autopilot system
RC Receiver
(Aircraft control)
G8
G6
Or
RC Receiver
(Futaba
/ Hitec)
7
1
2
4
RC Receiver
(JR)
AUX2
RUDD
ELEV
AILE
2-Position Switch
2-Position Switch
2-Position Switch
2-Position Switch
8-Channel
8-Channel
USB Port
PC connection for configuration and
firmware upgrades with an USB cable.
Heat
Sinks
Ensure the side with copper contacts is facing
upward towards the heat sinks.
G8
G6
G6
2-Position Switch
2-Position Switch
S-Bus Receiver
(Futaba)
S-Bus
Or
PPM Receiver
PPM
Or
Turn to next page to obtain the
correspondence between t h e
GCU channels and S-Bus/PPM
channels.










